Tool Post Size Chart

Jika kamu sedang mencari Tool Post Size Chart, maka anda berada di halaman yang tepat. Kami menyediakan aneka Tool Post Size Chart yang bisa anda pesan online. Silakan hubungi kami via +6282245078486, jangan lupa sertakan juka gambar yang diinginkan.

Kami mengirim paket Tool Post Size Chart melalui berbagai ekspedisi, misalnya JNE, JNT, POS, dll. Kami juga menerima pembayaran via BCA/Mandiri/dll. Pengiriman biasanya tidak sampai seminggu sudah sampai dan kami sertakan pula nomor resi yang bisa digunakan untuk tracking barang secara online.

buildits  progress tiny tool post

Tidak hanya Tool Post Size Chart, anda juga bisa melihat gambar lain seperti Quick Change, Aloris, Holder, Multifix, Dickson, Wood Finishing, Air Compressor, Commonly Used, Art for Kids, Ai Powered, Design Tab, Screening Assessment, and Found Home.

Berbagai Contoh Tool Post Size Chart

Berikut kami sertakan berbagai contoh gambar untuk Tool Post Size Chart, silakan save gambar di bawah dengan klik tombol pesan, anda akan kami arahkan pemesanan via WA ke +6282245078486.

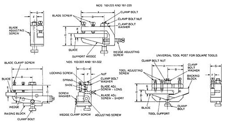
square tool post 768×1024

square tool post

Order Sekarang

quick change tool post size chart lathe ravimachines qucik 600×600

quick change tool post size chart lathe ravimachines qucik

Order Sekarang

guide  sizing  lathe tool post  optimal performance shuntool 800×450

guide sizing lathe tool post optimal performance shuntool

Order Sekarang

tool post large markinbox australia 1000×1000

tool post large markinbox australia

Order Sekarang

tool post standard markinbox australia 210×319

tool post standard markinbox australia

Order Sekarang

super quick change tool post dorian tool international 1158×558

super quick change tool post dorian tool international

Order Sekarang

series quick change tool post set 463×600

series quick change tool post set

Order Sekarang

tool post autodesk community gallery 1200×630

tool post autodesk community gallery

Order Sekarang

choosing   sized tool post     lathe shuntool 800×800

choosing sized tool post lathe shuntool

Order Sekarang

choose   quick change tool post travers tool 623×543

choose quick change tool post travers tool

Order Sekarang

tool post mm  mm long woodturning tool store 1024×1024

tool post mm mm long woodturning tool store

Order Sekarang

tool post  woodworking arts  crafts 640×495

tool post woodworking arts crafts

Order Sekarang

select   size quick change tool post   lathe 523×190

select size quick change tool post lathe

Order Sekarang

square tool post cutting tool machine tool post  lathe machines 1280×718

square tool post cutting tool machine tool post lathe machines

Order Sekarang

size  quick change tool post 384×255

size quick change tool post

Order Sekarang

precise  piece quick change tool post sets penn tool 1280×719

precise piece quick change tool post sets penn tool

Order Sekarang

universal tool post sturdy high performance tool post  machining 450×450

universal tool post sturdy high performance tool post machining

Order Sekarang

tool post mig welding forum 1400×918

tool post mig welding forum

Order Sekarang

post size guide buildable materials 650×325

post size guide buildable materials

Order Sekarang

lathe tool post sizes  faith tart blog 2100×1749

lathe tool post sizes faith tart blog

Order Sekarang

position quick change tool post 2196×2809

position quick change tool post

Order Sekarang

buildits  progress tiny tool post 1600×900

buildits progress tiny tool post

Order Sekarang

fillable  tool post mounting data form dorian tool fax email 770×1024

fillable tool post mounting data form dorian tool fax email

Order Sekarang

position quick change tool postseurope type 678×1035

position quick change tool postseurope type

Order Sekarang

tool post 1500×1500

tool post

Order Sekarang

quick change lathe tool post  holder  steps  pictures 1365×1024

quick change lathe tool post holder steps pictures

Order Sekarang

quick change tool post     work 1500×500

quick change tool post work

Order Sekarang

quick change tool post set  mm  mm center height shapiro 800×577

quick change tool post set mm mm center height shapiro

Order Sekarang

tool posts  square tools brown sharpe smt 900×490

tool posts square tools brown sharpe smt

Order Sekarang

solid tool post  rmachinists 1024×768

solid tool post rmachinists

Order Sekarang

Temukan solusi terbaik untuk kenyamanan ruang Anda dengan Tool Post Size Chart! Produk peredam suara dan panas ini menawarkan performa maksimal dengan harga yang terjangkau. Dapatkan kualitas unggul tanpa menguras kantong, dan nikmati suasana tenang serta sejuk di setiap sudut rumah atau kantor Anda. Pilih Tool Post Size Chart – pilihan cerdas untuk investasi jangka panjang!

Tidak ada hasil untuk penelusuran kata kunci Tool Post Size Chart

NO RESULT FOUND

Maaf, tidak ada yang cocok dengan kriteria yang Anda cari.

Apa yang ingin Anda lakukan?
« kembali ke Beranda atau gunakan kotak pencarian dibawah ini untuk mulai penelusuran baru.

Social Media & Marketplace
Chat via Whatsapp

Ada yang ditanyakan?
Klik untuk chat dengan customer support kami

Raisa
● online
Benu
● online
Raisa
● online
Halo, perkenalkan saya Raisa
baru saja
Ada yang bisa saya bantu?
baru saja
Produk Quick Order

Pemesanan dapat langsung menghubungi kontak dibawah:

Tool Post Size Chart

Jika kamu sedang mencari Tool Post Size Chart, maka anda berada di halaman yang tepat. Kami menyediakan aneka Tool Post Size Chart yang bisa anda pesan online. Silakan hubungi kami via +6282245078486, jangan lupa sertakan juka gambar yang diinginkan.

Kami mengirim paket Tool Post Size Chart melalui berbagai ekspedisi, misalnya JNE, JNT, POS, dll. Kami juga menerima pembayaran via BCA/Mandiri/dll. Pengiriman biasanya tidak sampai seminggu sudah sampai dan kami sertakan pula nomor resi yang bisa digunakan untuk tracking barang secara online.

accusize industrial tools bxa wedge type quick change tool post

Tidak hanya Tool Post Size Chart, anda juga bisa melihat gambar lain seperti Quick Change, Aloris, Holder, Multifix, Dickson, Wood Finishing, Air Compressor, Commonly Used, Art for Kids, Ai Powered, Design Tab, Screening Assessment, and Found Home.

Berbagai Contoh Tool Post Size Chart

Berikut kami sertakan berbagai contoh gambar untuk Tool Post Size Chart, silakan save gambar di bawah dengan klik tombol pesan, anda akan kami arahkan pemesanan via WA ke +6282245078486.

quick change tool post size chart lathe ravimachines qucik 600×600

quick change tool post size chart lathe ravimachines qucik

Order Sekarang

guide  sizing  lathe tool post  optimal performance shuntool 800×450

guide sizing lathe tool post optimal performance shuntool

Order Sekarang

choose   quick change tool post travers tool 256×139

choose quick change tool post travers tool

Order Sekarang

accusize industrial tools bxa wedge type quick change tool post 250×253

accusize industrial tools bxa wedge type quick change tool post

Order Sekarang

select   size quick change tool post   lathe 523×190

select size quick change tool post lathe

Order Sekarang

high positioning accuracy mini mini lathe tool post quick change tool 450×450

high positioning accuracy mini mini lathe tool post quick change tool

Order Sekarang

size  quick change tool post 384×255

size quick change tool post

Order Sekarang

precise  piece quick change tool post sets penn tool 1280×719

precise piece quick change tool post sets penn tool

Order Sekarang

quick change tool post easy  operate quick change tool posts 1035×797

quick change tool post easy operate quick change tool posts

Order Sekarang

quick change tool post  lathe homemadetoolsnet 557×557

quick change tool post lathe homemadetoolsnet

Order Sekarang

lathe quick change tool post   holder banka machine 1536×862

lathe quick change tool post holder banka machine

Order Sekarang

oem wedge type quick change tool post set  lathe machine 750×750

oem wedge type quick change tool post set lathe machine

Order Sekarang

quick change tool post  blog devoted    hobbies 800×532

quick change tool post blog devoted hobbies

Order Sekarang

position quick change tool postseurope type 678×1035

position quick change tool postseurope type

Order Sekarang

quick change tool post set  pcs lathe tool holders    mini 500×500

quick change tool post set pcs lathe tool holders mini

Order Sekarang

lathe quick change tool post   holder newravimachinescom 1111×775

lathe quick change tool post holder newravimachinescom

Order Sekarang

quick change tool post  mm centre height  lathes 1289×895

quick change tool post mm centre height lathes

Order Sekarang

position quick change tool post multifix tool holder 628×471

position quick change tool post multifix tool holder

Order Sekarang

quick change lathe tool post  holder  steps  pictures 1365×1024

quick change lathe tool post holder steps pictures

Order Sekarang

Temukan solusi terbaik untuk kenyamanan ruang Anda dengan Tool Post Size Chart! Produk peredam suara dan panas ini menawarkan performa maksimal dengan harga yang terjangkau. Dapatkan kualitas unggul tanpa menguras kantong, dan nikmati suasana tenang serta sejuk di setiap sudut rumah atau kantor Anda. Pilih Tool Post Size Chart – pilihan cerdas untuk investasi jangka panjang!