Tachometer Schematic

Jika kamu sedang mencari Tachometer Schematic, maka anda berada di halaman yang tepat. Kami menyediakan aneka Tachometer Schematic yang bisa anda pesan online. Silakan hubungi kami via +6282245078486, jangan lupa sertakan juka gambar yang diinginkan.

Kami mengirim paket Tachometer Schematic melalui berbagai ekspedisi, misalnya JNE, JNT, POS, dll. Kami juga menerima pembayaran via BCA/Mandiri/dll. Pengiriman biasanya tidak sampai seminggu sudah sampai dan kami sertakan pula nomor resi yang bisa digunakan untuk tracking barang secara online.

rpm tachometer circuit diagram

Tidak hanya Tachometer Schematic, anda juga bisa melihat gambar lain seperti Conveyor Belt, Wiring Diagram, Digital Hand, Electric Motor, Lawn Mower, Output Signal, Vintage Style, RPM Meter, Clip Art, Rpm Gauge, Cessna 172, Vauxhall Vivaro, Hour Meter, Cartoon Png, Volvo Penta, Free Vector, Old Car Parts, Auto Meter, Chainsaw, DTI 20K, Laser Tachometer, Fluke, Vector, and Small.

Berbagai Contoh Tachometer Schematic

Berikut kami sertakan berbagai contoh gambar untuk Tachometer Schematic, silakan save gambar di bawah dengan klik tombol pesan, anda akan kami arahkan pemesanan via WA ke +6282245078486.

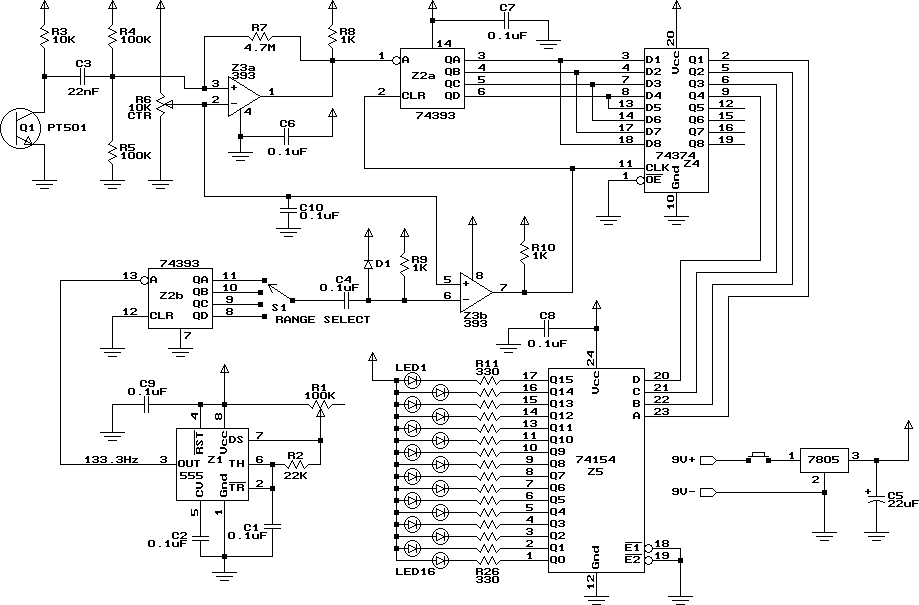
tachometer schematic diagram 640×433

tachometer schematic diagram

Order Sekarang

arduino tachometer schematic pyroelectro news projects tutorials 1200×951

arduino tachometer schematic pyroelectro news projects tutorials

Order Sekarang

step  step guide digital tachometer wiring diagram 1000×445

step step guide digital tachometer wiring diagram

Order Sekarang

tachometer schematic symbol  geri hodge blog 1000×543

tachometer schematic symbol geri hodge blog

Order Sekarang

analog tachometer schematic tachometer car  circuit timer 1260×1803

analog tachometer schematic tachometer car circuit timer

Order Sekarang

tachometer mikesworkshop 462×516

tachometer mikesworkshop

Order Sekarang

tachometer types working principle 1060×659

tachometer types working principle

Order Sekarang

magnetic tachometer oshwlab 1169×827

magnetic tachometer oshwlab

Order Sekarang

tachometer wiring diagrams 600×600

tachometer wiring diagrams

Order Sekarang

tachometer operation holley motor life 1000×332

tachometer operation holley motor life

Order Sekarang

vintage tachometer wiring diagram wiring draw 550×701

vintage tachometer wiring diagram wiring draw

Order Sekarang

tachometer diy tachometer electronics project 2606×1206

tachometer diy tachometer electronics project

Order Sekarang

tacho module schematic 1100×477

tacho module schematic

Order Sekarang

tachometer wiring diagrams wiring diagram 1150×863

tachometer wiring diagrams wiring diagram

Order Sekarang

tachometer  working tachometer   working 893×779

tachometer working tachometer working

Order Sekarang

electrical tachometer dc ac tachometer 1536×960

electrical tachometer dc ac tachometer

Order Sekarang

tachometer circuit circuit ideas 1022×535

tachometer circuit circuit ideas

Order Sekarang

tachometer circuit diagram circuit diagram 496×251

tachometer circuit diagram circuit diagram

Order Sekarang

tachometer circuit electronic circuits  diagrams electronic 832×426

tachometer circuit electronic circuits diagrams electronic

Order Sekarang

digitaltachometercircuitry basiccircuit circuit diagram seekiccom 750×1084

digitaltachometercircuitry basiccircuit circuit diagram seekiccom

Order Sekarang

lathe tachometer 2920×1912

lathe tachometer

Order Sekarang

analog tachometer circuit diagram 997×553

analog tachometer circuit diagram

Order Sekarang

rpm tachometer circuit diagram 1280×720

rpm tachometer circuit diagram

Order Sekarang

build  led bargraph optical tachometer 919×605

build led bargraph optical tachometer

Order Sekarang

simple tachometer wiring diagrams  easy installation 563×464

simple tachometer wiring diagrams easy installation

Order Sekarang

Temukan solusi terbaik untuk kenyamanan ruang Anda dengan Tachometer Schematic! Produk peredam suara dan panas ini menawarkan performa maksimal dengan harga yang terjangkau. Dapatkan kualitas unggul tanpa menguras kantong, dan nikmati suasana tenang serta sejuk di setiap sudut rumah atau kantor Anda. Pilih Tachometer Schematic – pilihan cerdas untuk investasi jangka panjang!

Tidak ada hasil untuk penelusuran kata kunci Tachometer Schematic

NO RESULT FOUND

Maaf, tidak ada yang cocok dengan kriteria yang Anda cari.

Apa yang ingin Anda lakukan?
« kembali ke Beranda atau gunakan kotak pencarian dibawah ini untuk mulai penelusuran baru.

Social Media & Marketplace
Chat via Whatsapp

Ada yang ditanyakan?
Klik untuk chat dengan customer support kami

Raisa
● online
Benu
● online
Raisa
● online
Halo, perkenalkan saya Raisa
baru saja
Ada yang bisa saya bantu?
baru saja
Produk Quick Order

Pemesanan dapat langsung menghubungi kontak dibawah:

Tachometer Schematic

Jika kamu sedang mencari Tachometer Schematic, maka anda berada di halaman yang tepat. Kami menyediakan aneka Tachometer Schematic yang bisa anda pesan online. Silakan hubungi kami via +6282245078486, jangan lupa sertakan juka gambar yang diinginkan.

Kami mengirim paket Tachometer Schematic melalui berbagai ekspedisi, misalnya JNE, JNT, POS, dll. Kami juga menerima pembayaran via BCA/Mandiri/dll. Pengiriman biasanya tidak sampai seminggu sudah sampai dan kami sertakan pula nomor resi yang bisa digunakan untuk tracking barang secara online.

rpm tachometer circuit diagram

Tidak hanya Tachometer Schematic, anda juga bisa melihat gambar lain seperti Conveyor Belt, Wiring Diagram, Digital Hand, Electric Motor, Lawn Mower, Output Signal, Vintage Style, RPM Meter, Clip Art, Rpm Gauge, Cessna 172, Vauxhall Vivaro, Hour Meter, Cartoon Png, Volvo Penta, Free Vector, Old Car Parts, Auto Meter, Chainsaw, DTI 20K, Laser Tachometer, Fluke, Vector, and Small.

Berbagai Contoh Tachometer Schematic

Berikut kami sertakan berbagai contoh gambar untuk Tachometer Schematic, silakan save gambar di bawah dengan klik tombol pesan, anda akan kami arahkan pemesanan via WA ke +6282245078486.

tachometer schematic diagram 640×433

tachometer schematic diagram

Order Sekarang

arduino tachometer schematic pyroelectro news projects tutorials 1200×951

arduino tachometer schematic pyroelectro news projects tutorials

Order Sekarang

step  step guide digital tachometer wiring diagram 1000×445

step step guide digital tachometer wiring diagram

Order Sekarang

tachometer schematic symbol  geri hodge blog 1000×543

tachometer schematic symbol geri hodge blog

Order Sekarang

analog tachometer schematic tachometer car  circuit timer 1260×1803

analog tachometer schematic tachometer car circuit timer

Order Sekarang

tachometer mikesworkshop 462×516

tachometer mikesworkshop

Order Sekarang

tachometer types working principle 1060×659

tachometer types working principle

Order Sekarang

magnetic tachometer oshwlab 1169×827

magnetic tachometer oshwlab

Order Sekarang

tachometer wiring diagrams 600×600

tachometer wiring diagrams

Order Sekarang

tachometer operation holley motor life 1000×332

tachometer operation holley motor life

Order Sekarang

vintage tachometer wiring diagram wiring draw 550×701

vintage tachometer wiring diagram wiring draw

Order Sekarang

tachometer diy tachometer electronics project 2606×1206

tachometer diy tachometer electronics project

Order Sekarang

tacho module schematic 1100×477

tacho module schematic

Order Sekarang

tachometer wiring diagrams wiring diagram 1150×863

tachometer wiring diagrams wiring diagram

Order Sekarang

tachometer  working tachometer   working 893×779

tachometer working tachometer working

Order Sekarang

electrical tachometer dc ac tachometer 1536×960

electrical tachometer dc ac tachometer

Order Sekarang

tachometer circuit circuit ideas 1022×535

tachometer circuit circuit ideas

Order Sekarang

tachometer circuit diagram circuit diagram 496×251

tachometer circuit diagram circuit diagram

Order Sekarang

tachometer circuit electronic circuits  diagrams electronic 832×426

tachometer circuit electronic circuits diagrams electronic

Order Sekarang

digitaltachometercircuitry basiccircuit circuit diagram seekiccom 750×1084

digitaltachometercircuitry basiccircuit circuit diagram seekiccom

Order Sekarang

lathe tachometer 2920×1912

lathe tachometer

Order Sekarang

analog tachometer circuit diagram 997×553

analog tachometer circuit diagram

Order Sekarang

rpm tachometer circuit diagram 1280×720

rpm tachometer circuit diagram

Order Sekarang

build  led bargraph optical tachometer 919×605

build led bargraph optical tachometer

Order Sekarang

simple tachometer wiring diagrams  easy installation 563×464

simple tachometer wiring diagrams easy installation

Order Sekarang

Temukan solusi terbaik untuk kenyamanan ruang Anda dengan Tachometer Schematic! Produk peredam suara dan panas ini menawarkan performa maksimal dengan harga yang terjangkau. Dapatkan kualitas unggul tanpa menguras kantong, dan nikmati suasana tenang serta sejuk di setiap sudut rumah atau kantor Anda. Pilih Tachometer Schematic – pilihan cerdas untuk investasi jangka panjang!