Space Representation

Jika kamu sedang mencari Space Representation, maka anda berada di halaman yang tepat. Kami menyediakan aneka Space Representation yang bisa anda pesan online. Silakan hubungi kami via +6282245078486, jangan lupa sertakan juka gambar yang diinginkan.

Kami mengirim paket Space Representation melalui berbagai ekspedisi, misalnya JNE, JNT, POS, dll. Kami juga menerima pembayaran via BCA/Mandiri/dll. Pengiriman biasanya tidak sampai seminggu sudah sampai dan kami sertakan pula nomor resi yang bisa digunakan untuk tracking barang secara online.

state space representation

Tidak hanya Space Representation, anda juga bisa melihat gambar lain seperti Corner Graph, Visual Arts, Form Design, Block Diagram, South Asian, Cartoon Png, Different Types, Clip Art, Movie Posters, Anxiety Art, Famous Quotes About, Agreement Template, New Wave Visual, Text Clip Art, and Education Clip Art.

Berbagai Contoh Space Representation

Berikut kami sertakan berbagai contoh gambar untuk Space Representation, silakan save gambar di bawah dengan klik tombol pesan, anda akan kami arahkan pemesanan via WA ke +6282245078486.

state space representation  mathematical objects teaching 768×1024

state space representation mathematical objects teaching

Order Sekarang

space representation  behance 913×641

space representation behance

Order Sekarang

representation  space  scientific diagram 850×233

representation space scientific diagram

Order Sekarang

state space representation  scientific diagram 320×320

state space representation scientific diagram

Order Sekarang

space representation  scientific diagram 850×1502

space representation scientific diagram

Order Sekarang

state space representation powerpoint 1024×768

state space representation powerpoint

Order Sekarang

state space representation 850×657

state space representation

Order Sekarang

abstract representation  space folding  stock illustration 800×533

abstract representation space folding stock illustration

Order Sekarang

state space representation  control systems 1024×1024

state space representation control systems

Order Sekarang

state space representation  production systems powerpoint 1024×768

state space representation production systems powerpoint

Order Sekarang

models space representation  scientific diagram 850×703

models space representation scientific diagram

Order Sekarang

representation  state space  scientific diagram 850×640

representation state space scientific diagram

Order Sekarang

abstract representation   space  time space   vicinity 1600×1222

abstract representation space time space vicinity

Order Sekarang

comparison  representation space  scientific diagram 691×327

comparison representation space scientific diagram

Order Sekarang

solved problem  state space representation  points  cheggcom 1024×821

solved problem state space representation points cheggcom

Order Sekarang

dimensional representation   optimal space 640×640

dimensional representation optimal space

Order Sekarang

space representation   model    actors  transparent 900×440

space representation model actors transparent

Order Sekarang

graphical representation   state space system 167×167

graphical representation state space system

Order Sekarang

graphical representation  space time 993×950

graphical representation space time

Order Sekarang

solved state space representations  points  cheggcom 1101×568

solved state space representations points cheggcom

Order Sekarang

space representation   graph  scientific diagram 320×320

space representation graph scientific diagram

Order Sekarang

division   representation space   scientific diagram 391×243

division representation space scientific diagram

Order Sekarang

digital representation   urban setting  outer space 2940×1960

digital representation urban setting outer space

Order Sekarang

Temukan solusi terbaik untuk kenyamanan ruang Anda dengan Space Representation! Produk peredam suara dan panas ini menawarkan performa maksimal dengan harga yang terjangkau. Dapatkan kualitas unggul tanpa menguras kantong, dan nikmati suasana tenang serta sejuk di setiap sudut rumah atau kantor Anda. Pilih Space Representation – pilihan cerdas untuk investasi jangka panjang!

Tidak ada hasil untuk penelusuran kata kunci Space Representation

NO RESULT FOUND

Maaf, tidak ada yang cocok dengan kriteria yang Anda cari.

Apa yang ingin Anda lakukan?
« kembali ke Beranda atau gunakan kotak pencarian dibawah ini untuk mulai penelusuran baru.

Social Media & Marketplace
Chat via Whatsapp

Ada yang ditanyakan?
Klik untuk chat dengan customer support kami

Raisa
● online
Benu
● online
Raisa
● online
Halo, perkenalkan saya Raisa
baru saja
Ada yang bisa saya bantu?
baru saja
Produk Quick Order

Pemesanan dapat langsung menghubungi kontak dibawah:

Space Representation

Jika kamu sedang mencari Space Representation, maka anda berada di halaman yang tepat. Kami menyediakan aneka Space Representation yang bisa anda pesan online. Silakan hubungi kami via +6282245078486, jangan lupa sertakan juka gambar yang diinginkan.

Kami mengirim paket Space Representation melalui berbagai ekspedisi, misalnya JNE, JNT, POS, dll. Kami juga menerima pembayaran via BCA/Mandiri/dll. Pengiriman biasanya tidak sampai seminggu sudah sampai dan kami sertakan pula nomor resi yang bisa digunakan untuk tracking barang secara online.

understanding state space representation  control systems

Tidak hanya Space Representation, anda juga bisa melihat gambar lain seperti Corner Graph, Visual Arts, Form Design, Block Diagram, South Asian, Cartoon Png, Different Types, Clip Art, Movie Posters, Anxiety Art, Famous Quotes About, Agreement Template, New Wave Visual, Text Clip Art, and Education Clip Art.

Berbagai Contoh Space Representation

Berikut kami sertakan berbagai contoh gambar untuk Space Representation, silakan save gambar di bawah dengan klik tombol pesan, anda akan kami arahkan pemesanan via WA ke +6282245078486.

state space representation 768×1024

state space representation

Order Sekarang

state space representation model 768×1024

state space representation model

Order Sekarang

state space representation  system vector space 768×1024

state space representation system vector space

Order Sekarang

chapter  state space representation  mathematics applied 768×1024

chapter state space representation mathematics applied

Order Sekarang

lecture  state space representation  systems theory algebra 768×1024

lecture state space representation systems theory algebra

Order Sekarang

ch state space representation  dynamical systems 768×1024

ch state space representation dynamical systems

Order Sekarang

control systems state space model  control theory 768×1024

control systems state space model control theory

Order Sekarang

state space representation  scientific diagram 320×320

state space representation scientific diagram

Order Sekarang

state space representation wikipedia 472×177

state space representation wikipedia

Order Sekarang

state space representation  control systems 800×450

state space representation control systems

Order Sekarang

answered state space representation write  bartleby 716×439

answered state space representation write bartleby

Order Sekarang

state space representation controltheory 1156×705

state space representation controltheory

Order Sekarang

lecture state space representation 768×1024

lecture state space representation

Order Sekarang

understanding state space representation  control systems 3070×4094

understanding state space representation control systems

Order Sekarang

state space representation  continuous time systems 594×448

state space representation continuous time systems

Order Sekarang

lecture  state space representationpdf ee  linear control 180×233

lecture state space representationpdf ee linear control

Order Sekarang

block diagram representation   state space equations 320×320

block diagram representation state space equations

Order Sekarang

state space representation  mechanical system 320×240

state space representation mechanical system

Order Sekarang

control engineering state space representation    tank system 951×661

control engineering state space representation tank system

Order Sekarang

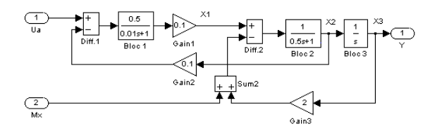
control state space representation  system   disturbance 610×187

control state space representation system disturbance

Order Sekarang

state space representation  control system control systems 500×285

state space representation control system control systems

Order Sekarang

state space representation powerpoint 1024×768

state space representation powerpoint

Order Sekarang

control theory lecture  state space representation 640×480

control theory lecture state space representation

Order Sekarang

solved state space controls problem block diagram  state cheggcom 2500×1406

solved state space controls problem block diagram state cheggcom

Order Sekarang

solved   obtain  state space representation   cheggcom 727×416

solved obtain state space representation cheggcom

Order Sekarang

lecture  state space representation state space representation 1200×1553

lecture state space representation state space representation

Order Sekarang

solved  based   fig  obtain  state space cheggcom 885×458

solved based fig obtain state space cheggcom

Order Sekarang

solved draw  state space representation   system shown cheggcom 700×394

solved draw state space representation system shown cheggcom

Order Sekarang

state space representationstate space model controllability 2048×1152

state space representationstate space model controllability

Order Sekarang

Temukan solusi terbaik untuk kenyamanan ruang Anda dengan Space Representation! Produk peredam suara dan panas ini menawarkan performa maksimal dengan harga yang terjangkau. Dapatkan kualitas unggul tanpa menguras kantong, dan nikmati suasana tenang serta sejuk di setiap sudut rumah atau kantor Anda. Pilih Space Representation – pilihan cerdas untuk investasi jangka panjang!