Single Phasing

Jika kamu sedang mencari Single Phasing, maka anda berada di halaman yang tepat. Kami menyediakan aneka Single Phasing yang bisa anda pesan online. Silakan hubungi kami via +6282245078486, jangan lupa sertakan juka gambar yang diinginkan.

Kami mengirim paket Single Phasing melalui berbagai ekspedisi, misalnya JNE, JNT, POS, dll. Kami juga menerima pembayaran via BCA/Mandiri/dll. Pengiriman biasanya tidak sampai seminggu sudah sampai dan kami sertakan pula nomor resi yang bisa digunakan untuk tracking barang secara online.

single phase

Tidak hanya Single Phasing, anda juga bisa melihat gambar lain seperti Three-Phase Motor, Conversion Switch, 3 Phase System, 3 Phase Motor, Motor Current Graph, Electric Motor, Protection Relay, Electrical Motor, Induction Motor, Generator Parts Diagram, Single Wire Earth Return, Ground and Neutral, Ground, Distribution Board, Electricity Meter, Earth Leakage Circuit Breaker, Distribution Transformer, One-Line Diagram, IEC 60364, Grid, and Electricity distribution.

Berbagai Contoh Single Phasing

Berikut kami sertakan berbagai contoh gambar untuk Single Phasing, silakan save gambar di bawah dengan klik tombol pesan, anda akan kami arahkan pemesanan via WA ke +6282245078486.

single phasing  transformer power engineering 768×1024

single phasing transformer power engineering

Order Sekarang

single phasing kit cpn cudis 600×600

single phasing kit cpn cudis

Order Sekarang

single phasing motor problem  analysis  prevention 830×467

single phasing motor problem analysis prevention

Order Sekarang

single phasing podcast craig miles 1568×879

single phasing podcast craig miles

Order Sekarang

effect  single phasing   phase induction motor infoupdateorg 750×422

effect single phasing phase induction motor infoupdateorg

Order Sekarang

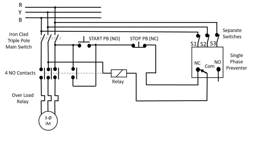
single phasing preventer explanation circuit diagram 783×647

single phasing preventer explanation circuit diagram

Order Sekarang

phase motors single phasing cbm connect 444×240

phase motors single phasing cbm connect

Order Sekarang

single phase 768×1024

single phase

Order Sekarang

single phasing preventer electrical desk 640×622

single phasing preventer electrical desk

Order Sekarang

single phasing means opening   phase    phase supply 631×501

single phasing means opening phase phase supply

Order Sekarang

single phasing   phase induction motors   effects 300×209

single phasing phase induction motors effects

Order Sekarang

single phasing preventer   hp  electrical panels    pune 500×500

single phasing preventer hp electrical panels pune

Order Sekarang

single phasing  effect  protection 643×365

single phasing effect protection

Order Sekarang

fig    single phasing  phase 1238×1726

fig single phasing phase

Order Sekarang

single phasing  electrical motors  electric motor relay 768×1024

single phasing electrical motors electric motor relay

Order Sekarang

single phasing fault  substation  distribution transformer 600×327

single phasing fault substation distribution transformer

Order Sekarang

amp single phasing preventer  commercial    ahmedabad 500×500

amp single phasing preventer commercial ahmedabad

Order Sekarang

general schematic  investigate single phasing  scientific 744×366

general schematic investigate single phasing scientific

Order Sekarang

real time   single phasing  overtemperature protection 320×320

real time single phasing overtemperature protection

Order Sekarang

din rail single phasing preventer psr  piece din timer 703×1000

din rail single phasing preventer psr piece din timer

Order Sekarang

vsp  single phasing prevent relay  system supply  vac buy 750×750

vsp single phasing prevent relay system supply vac buy

Order Sekarang

single phasing kit jkbsp hager 2160×2160

single phasing kit jkbsp hager

Order Sekarang

working  connection diagram  single phasing preventer etechnog 564×640

working connection diagram single phasing preventer etechnog

Order Sekarang

hp motor setup  investigate single phasing  scientific diagram 320×320

hp motor setup investigate single phasing scientific diagram

Order Sekarang

phasing method  hilbert transforms  single sideband 800×450

phasing method hilbert transforms single sideband

Order Sekarang

solved   time phasing chart     cheggcom 895×1048

solved time phasing chart cheggcom

Order Sekarang

single phasing  electrical motors  effects  protection 825×648

single phasing electrical motors effects protection

Order Sekarang

single phasing detection  classification  distribution 850×1133

single phasing detection classification distribution

Order Sekarang

phase motor  single phase infoupdateorg 1280×720

phase motor single phase infoupdateorg

Order Sekarang

single phase   phase  difference explained 2560×1707

single phase phase difference explained

Order Sekarang

practical operation  single phasing preventer experiment 1280×280

practical operation single phasing preventer experiment

Order Sekarang

Temukan solusi terbaik untuk kenyamanan ruang Anda dengan Single Phasing! Produk peredam suara dan panas ini menawarkan performa maksimal dengan harga yang terjangkau. Dapatkan kualitas unggul tanpa menguras kantong, dan nikmati suasana tenang serta sejuk di setiap sudut rumah atau kantor Anda. Pilih Single Phasing – pilihan cerdas untuk investasi jangka panjang!

Tidak ada hasil untuk penelusuran kata kunci Single Phasing

NO RESULT FOUND

Maaf, tidak ada yang cocok dengan kriteria yang Anda cari.

Apa yang ingin Anda lakukan?
« kembali ke Beranda atau gunakan kotak pencarian dibawah ini untuk mulai penelusuran baru.

Social Media & Marketplace
Chat via Whatsapp

Ada yang ditanyakan?
Klik untuk chat dengan customer support kami

Raisa
● online
Benu
● online
Raisa
● online
Halo, perkenalkan saya Raisa
baru saja
Ada yang bisa saya bantu?
baru saja
Produk Quick Order

Pemesanan dapat langsung menghubungi kontak dibawah:

Single Phasing

Jika kamu sedang mencari Single Phasing, maka anda berada di halaman yang tepat. Kami menyediakan aneka Single Phasing yang bisa anda pesan online. Silakan hubungi kami via +6282245078486, jangan lupa sertakan juka gambar yang diinginkan.

Kami mengirim paket Single Phasing melalui berbagai ekspedisi, misalnya JNE, JNT, POS, dll. Kami juga menerima pembayaran via BCA/Mandiri/dll. Pengiriman biasanya tidak sampai seminggu sudah sampai dan kami sertakan pula nomor resi yang bisa digunakan untuk tracking barang secara online.

phase  single wiring diagram

Tidak hanya Single Phasing, anda juga bisa melihat gambar lain seperti 3 Phase System, Three-Phase Motor, 3 Phase Motor, Motor Current Graph, Electric Motor, Vibration Spectrum, Protection Relay, Electrical Motor, Three Phase Transformer, Induction Motor, Single Wire Earth Return, Ground and Neutral, Ground, Distribution Board, Electricity Meter, Earth Leakage Circuit Breaker, Distribution Transformer, One-Line Diagram, IEC 60364, Grid, and Electricity distribution.

Berbagai Contoh Single Phasing

Berikut kami sertakan berbagai contoh gambar untuk Single Phasing, silakan save gambar di bawah dengan klik tombol pesan, anda akan kami arahkan pemesanan via WA ke +6282245078486.

single phasing  electrical motors    electric 768×1024

single phasing electrical motors electric

Order Sekarang

single phasing motor problem  analysis  prevention 830×467

single phasing motor problem analysis prevention

Order Sekarang

effect  single phasing   phase induction motor infoupdateorg 750×422

effect single phasing phase induction motor infoupdateorg

Order Sekarang

phase motors single phasing cbm connect 444×240

phase motors single phasing cbm connect

Order Sekarang

single phasing means opening   phase    phase supply 631×501

single phasing means opening phase phase supply

Order Sekarang

single phasing   phase induction motors   effects 300×209

single phasing phase induction motors effects

Order Sekarang

single phasing   phase marine induction motors craig miles 1280×1706

single phasing phase marine induction motors craig miles

Order Sekarang

single phasing fault  substation  distribution transformer 600×327

single phasing fault substation distribution transformer

Order Sekarang

protection method  induction motor single phasing fault 524×524

protection method induction motor single phasing fault

Order Sekarang

troubleshooting  repair  single phase motor final 768×1024

troubleshooting repair single phase motor final

Order Sekarang

figure   single phasing   phase induction motors 664×502

figure single phasing phase induction motors

Order Sekarang

solved single phasing   condition    phase induction 319×297

solved single phasing condition phase induction

Order Sekarang

efficient protection scheme  single phasing fault 850×1156

efficient protection scheme single phasing fault

Order Sekarang

fault finding chart  single phase induction motors infoupdateorg 2970×1421

fault finding chart single phase induction motors infoupdateorg

Order Sekarang

phase motor  single phase infoupdateorg 1280×720

phase motor single phase infoupdateorg

Order Sekarang

phase  single wiring diagram 1373×815

phase single wiring diagram

Order Sekarang

single phase fault circuit model  scientific diagram 315×315

single phase fault circuit model scientific diagram

Order Sekarang

practical operation  single phasing preventer experiment 1024×576

practical operation single phasing preventer experiment

Order Sekarang

wiring diagram chapter  full voltage single phase motors 510×474

wiring diagram chapter full voltage single phase motors

Order Sekarang

single phase induction motor construction  working principle 516×518

single phase induction motor construction working principle

Order Sekarang

single phase motor  run  wiring work 450×322

single phase motor run wiring work

Order Sekarang

single phase failure   phase ac motor 827×480

single phase failure phase ac motor

Order Sekarang

circuit schematic  single phase motor   scientific diagram 282×282

circuit schematic single phase motor scientific diagram

Order Sekarang

run  phase motor  single phase supply wiring work 1139×951

run phase motor single phase supply wiring work

Order Sekarang

run   phase motor  single phase wiring work 850×329

run phase motor single phase wiring work

Order Sekarang

single phase motor fault finding  electriciansforums 679×1200

single phase motor fault finding electriciansforums

Order Sekarang

run  single phase motor   phase power wiring work 604×337

run single phase motor phase power wiring work

Order Sekarang

phase motor single phase connection electrician idea 600×300

phase motor single phase connection electrician idea

Order Sekarang

driving  phase motor  single phase supply circuit diagram 1392×1341

driving phase motor single phase supply circuit diagram

Order Sekarang

meant  single phasing preventer relay 700×302

meant single phasing preventer relay

Order Sekarang

single phase diagram    phase fault  bus 356×407

single phase diagram phase fault bus

Order Sekarang

phase single  diagram   motor load supplied 1024×478

phase single diagram motor load supplied

Order Sekarang

Temukan solusi terbaik untuk kenyamanan ruang Anda dengan Single Phasing! Produk peredam suara dan panas ini menawarkan performa maksimal dengan harga yang terjangkau. Dapatkan kualitas unggul tanpa menguras kantong, dan nikmati suasana tenang serta sejuk di setiap sudut rumah atau kantor Anda. Pilih Single Phasing – pilihan cerdas untuk investasi jangka panjang!