Rvdt

Jika kamu sedang mencari Rvdt, maka anda berada di halaman yang tepat. Kami menyediakan aneka Rvdt yang bisa anda pesan online. Silakan hubungi kami via +6282245078486, jangan lupa sertakan juka gambar yang diinginkan.

Kami mengirim paket Rvdt melalui berbagai ekspedisi, misalnya JNE, JNT, POS, dll. Kami juga menerima pembayaran via BCA/Mandiri/dll. Pengiriman biasanya tidak sampai seminggu sudah sampai dan kami sertakan pula nomor resi yang bisa digunakan untuk tracking barang secara online.

voltage output rvdt angular position sensor te connectivity

Tidak hanya Rvdt, anda juga bisa melihat gambar lain seperti Working Principle, Wiring Diagram, How It Works, Rotor Core, Electrical Block Diagram, Output Signal, Red Dot, DC Converter, Zero Mark, Flap Control Lever, Wire Clamp Plate, Circuit Diagram, Pinout Diagram, LVDT vs, Working, Woodward, Gauges, Equations, Schematic, NewTek, C-17, and Diagram.

Berbagai Contoh Rvdt

Berikut kami sertakan berbagai contoh gambar untuk Rvdt, silakan save gambar di bawah dengan klik tombol pesan, anda akan kami arahkan pemesanan via WA ke +6282245078486.

rvdtproduct kearfott 1000×1000

rvdtproduct kearfott

Order Sekarang

rvdt kearfott 1000×1000

rvdt kearfott

Order Sekarang

filervdtsvg wikipedia 274×240

filervdtsvg wikipedia

Order Sekarang

lvdt rvdt powerpoint    id 720×540

lvdt rvdt powerpoint id

Order Sekarang

rvdt gw lisk 600×337

rvdt gw lisk

Order Sekarang

angular position sensors rvdtrvit 1100×350

angular position sensors rvdtrvit

Order Sekarang

rvdt   rotary variable differential transducer 1000×1000

rvdt rotary variable differential transducer

Order Sekarang

rvdt cluster aerospace tamagawa seiki 688×608

rvdt cluster aerospace tamagawa seiki

Order Sekarang

mtc rvdt displacement transducers 1000×1000

mtc rvdt displacement transducers

Order Sekarang

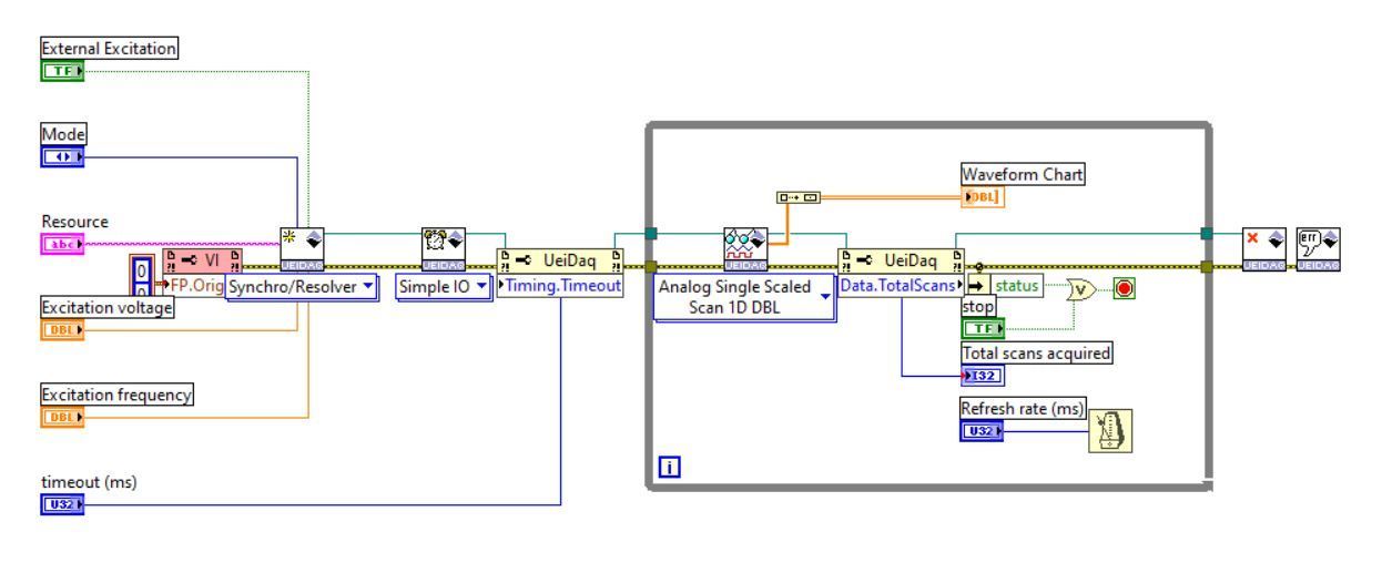
lvdtrvdt tutorial  reference aerospace daq test hil uei 1246×517

lvdtrvdt tutorial reference aerospace daq test hil uei

Order Sekarang

difference  lvdt  rvdt instrumentationtools 720×283

difference lvdt rvdt instrumentationtools

Order Sekarang

voltage output rvdt angular position sensor te connectivity 2880×2160

voltage output rvdt angular position sensor te connectivity

Order Sekarang

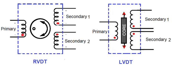
differences  lvdt  rvdt construction working principle 490×190

differences lvdt rvdt construction working principle

Order Sekarang

efunda introduction  rotational variable differential transformer rvdt 330×274

efunda introduction rotational variable differential transformer rvdt

Order Sekarang

rotary variable differential transformer rvdt workin  applications 571×314

rotary variable differential transformer rvdt workin applications

Order Sekarang

meant  rvdt explain thr function  rvdt 300×202

meant rvdt explain thr function rvdt

Order Sekarang

lvdt  rvdt  applications 758×447

lvdt rvdt applications

Order Sekarang

rvdt rotary variable differential transformer working 768×389

rvdt rotary variable differential transformer working

Order Sekarang

rotary variable differential transformer rvdt definition 596×318

rotary variable differential transformer rvdt definition

Order Sekarang

rvdt construction principle calculation wira electrical 768×456

rvdt construction principle calculation wira electrical

Order Sekarang

construction  working  rvdt rotary variable differential 311×213

construction working rvdt rotary variable differential

Order Sekarang

lvdt  rvdt comparison advantages  key differences 354×275

lvdt rvdt comparison advantages key differences

Order Sekarang

acquire rvdt ni community 1178×512

acquire rvdt ni community

Order Sekarang

difference  lvdt rvdt  engineering knowledge 272×186

difference lvdt rvdt engineering knowledge

Order Sekarang

level testing  role  lvdt rvdt resolver simulation 1200×628

level testing role lvdt rvdt resolver simulation

Order Sekarang

rvdtrotary variable differential transformer basics utmel 759×516

rvdtrotary variable differential transformer basics utmel

Order Sekarang

solved    specifications   rvdt   cheggcom 700×564

solved specifications rvdt cheggcom

Order Sekarang

Temukan solusi terbaik untuk kenyamanan ruang Anda dengan Rvdt! Produk peredam suara dan panas ini menawarkan performa maksimal dengan harga yang terjangkau. Dapatkan kualitas unggul tanpa menguras kantong, dan nikmati suasana tenang serta sejuk di setiap sudut rumah atau kantor Anda. Pilih Rvdt – pilihan cerdas untuk investasi jangka panjang!

Tidak ada hasil untuk penelusuran kata kunci Rvdt

NO RESULT FOUND

Maaf, tidak ada yang cocok dengan kriteria yang Anda cari.

Apa yang ingin Anda lakukan?
« kembali ke Beranda atau gunakan kotak pencarian dibawah ini untuk mulai penelusuran baru.

Social Media & Marketplace
Chat via Whatsapp

Ada yang ditanyakan?
Klik untuk chat dengan customer support kami

Raisa
● online
Benu
● online
Raisa
● online
Halo, perkenalkan saya Raisa
baru saja
Ada yang bisa saya bantu?
baru saja
Produk Quick Order

Pemesanan dapat langsung menghubungi kontak dibawah:

Rvdt

Jika kamu sedang mencari Rvdt, maka anda berada di halaman yang tepat. Kami menyediakan aneka Rvdt yang bisa anda pesan online. Silakan hubungi kami via +6282245078486, jangan lupa sertakan juka gambar yang diinginkan.

Kami mengirim paket Rvdt melalui berbagai ekspedisi, misalnya JNE, JNT, POS, dll. Kami juga menerima pembayaran via BCA/Mandiri/dll. Pengiriman biasanya tidak sampai seminggu sudah sampai dan kami sertakan pula nomor resi yang bisa digunakan untuk tracking barang secara online.

acquire rvdt ni community

Tidak hanya Rvdt, anda juga bisa melihat gambar lain seperti How It Works, Flap Control Lever, Repair Manual, Working Principle, Wiring Diagram, Red Dot, DC Converter, Rotor Core, Zero Mark, Electrical Block Diagram, Actuator for Valve, Circuit Diagram, Pinout Diagram, LVDT vs, Working, Woodward, Gauges, Equations, Schematic, NewTek, C-17, and Diagram.

Berbagai Contoh Rvdt

Berikut kami sertakan berbagai contoh gambar untuk Rvdt, silakan save gambar di bawah dengan klik tombol pesan, anda akan kami arahkan pemesanan via WA ke +6282245078486.

rvdtproduct kearfott 1000×1000

rvdtproduct kearfott

Order Sekarang

rvdt kearfott 1000×1000

rvdt kearfott

Order Sekarang

filervdtsvg wikipedia 274×240

filervdtsvg wikipedia

Order Sekarang

lvdt rvdt powerpoint    id 720×540

lvdt rvdt powerpoint id

Order Sekarang

rvdt gw lisk 600×337

rvdt gw lisk

Order Sekarang

angular position sensors rvdtrvit 1100×350

angular position sensors rvdtrvit

Order Sekarang

rvdt   rotary variable differential transducer 1000×1000

rvdt rotary variable differential transducer

Order Sekarang

rvdt cluster aerospace tamagawa seiki 688×608

rvdt cluster aerospace tamagawa seiki

Order Sekarang

mtc rvdt displacement transducers 1000×1000

mtc rvdt displacement transducers

Order Sekarang

lvdtrvdt tutorial  reference aerospace daq test hil uei 1246×517

lvdtrvdt tutorial reference aerospace daq test hil uei

Order Sekarang

difference  lvdt  rvdt instrumentationtools 720×283

difference lvdt rvdt instrumentationtools

Order Sekarang

voltage output rvdt angular position sensor te connectivity 2880×2160

voltage output rvdt angular position sensor te connectivity

Order Sekarang

differences  lvdt  rvdt construction working principle 490×190

differences lvdt rvdt construction working principle

Order Sekarang

efunda introduction  rotational variable differential transformer rvdt 330×274

efunda introduction rotational variable differential transformer rvdt

Order Sekarang

rotary variable differential transformer rvdt workin  applications 571×314

rotary variable differential transformer rvdt workin applications

Order Sekarang

meant  rvdt explain thr function  rvdt 300×202

meant rvdt explain thr function rvdt

Order Sekarang

lvdt  rvdt  applications 758×447

lvdt rvdt applications

Order Sekarang

rvdt rotary variable differential transformer working 768×389

rvdt rotary variable differential transformer working

Order Sekarang

rotary variable differential transformer rvdt definition 596×318

rotary variable differential transformer rvdt definition

Order Sekarang

rvdt construction principle calculation wira electrical 768×456

rvdt construction principle calculation wira electrical

Order Sekarang

construction  working  rvdt rotary variable differential 311×213

construction working rvdt rotary variable differential

Order Sekarang

lvdt  rvdt comparison advantages  key differences 354×275

lvdt rvdt comparison advantages key differences

Order Sekarang

acquire rvdt ni community 1178×512

acquire rvdt ni community

Order Sekarang

difference  lvdt rvdt  engineering knowledge 272×186

difference lvdt rvdt engineering knowledge

Order Sekarang

level testing  role  lvdt rvdt resolver simulation 1200×628

level testing role lvdt rvdt resolver simulation

Order Sekarang

rvdtrotary variable differential transformer basics utmel 759×516

rvdtrotary variable differential transformer basics utmel

Order Sekarang

solved    specifications   rvdt   cheggcom 700×564

solved specifications rvdt cheggcom

Order Sekarang

Temukan solusi terbaik untuk kenyamanan ruang Anda dengan Rvdt! Produk peredam suara dan panas ini menawarkan performa maksimal dengan harga yang terjangkau. Dapatkan kualitas unggul tanpa menguras kantong, dan nikmati suasana tenang serta sejuk di setiap sudut rumah atau kantor Anda. Pilih Rvdt – pilihan cerdas untuk investasi jangka panjang!