Power Supply Circuit Diagram

Jika kamu sedang mencari Power Supply Circuit Diagram, maka anda berada di halaman yang tepat. Kami menyediakan aneka Power Supply Circuit Diagram yang bisa anda pesan online. Silakan hubungi kami via +6282245078486, jangan lupa sertakan juka gambar yang diinginkan.

Kami mengirim paket Power Supply Circuit Diagram melalui berbagai ekspedisi, misalnya JNE, JNT, POS, dll. Kami juga menerima pembayaran via BCA/Mandiri/dll. Pengiriman biasanya tidak sampai seminggu sudah sampai dan kami sertakan pula nomor resi yang bisa digunakan untuk tracking barang secara online.

understand  utilize power supply unit circuit diagrams

Tidak hanya Power Supply Circuit Diagram, anda juga bisa melihat gambar lain seperti Graphics Card, 24V SMPS, 12V SMPS, DC Current Source, High Voltage DC, 24V 5A, Delta SMPS, Batapola Antenna, 12V 10A, Hard Disk, UE Megaboom, and Oil Rig.

Berbagai Contoh Power Supply Circuit Diagram

Berikut kami sertakan berbagai contoh gambar untuk Power Supply Circuit Diagram, silakan save gambar di bawah dengan klik tombol pesan, anda akan kami arahkan pemesanan via WA ke +6282245078486.

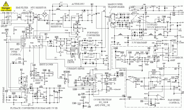
power supply circuit diagrams circuit diagram 737×399

power supply circuit diagrams circuit diagram

Order Sekarang

power supply circuit diagram  explanation 1200×616

power supply circuit diagram explanation

Order Sekarang

diagram schematic power supply circuit diagram 1200×630

diagram schematic power supply circuit diagram

Order Sekarang

schematic diagram   power supply 834×631

schematic diagram power supply

Order Sekarang

schematic diagram   simple power supply 664×664

schematic diagram simple power supply

Order Sekarang

circuit diagram   power supply 610×366

circuit diagram power supply

Order Sekarang

power supply circuit diagram wiring diagram 1280×720

power supply circuit diagram wiring diagram

Order Sekarang

affordable  efficient power supply circuit schematics 1200×675

affordable efficient power supply circuit schematics

Order Sekarang

circuit diagram   power supply circuit  scientific 850×638

circuit diagram power supply circuit scientific

Order Sekarang

computer schematic power supply circuit diagram  wiring draw 508×445

computer schematic power supply circuit diagram wiring draw

Order Sekarang

circuit diagram  dc power supply wiring 1024×768

circuit diagram dc power supply wiring

Order Sekarang

circuit diagram  power supply  scientific diagram 832×421

circuit diagram power supply scientific diagram

Order Sekarang

power supply circuit diagram variable power supply  va circuit 1000×602

power supply circuit diagram variable power supply va circuit

Order Sekarang

power supply circuit diagram tronicspro 1400×1187

power supply circuit diagram tronicspro

Order Sekarang

electrical circuit diagram   power supply unit   power 616×439

electrical circuit diagram power supply unit power

Order Sekarang

understand  utilize power supply unit circuit diagrams 1200×771

understand utilize power supply unit circuit diagrams

Order Sekarang

dc power supply circuit diagram 1200×869

dc power supply circuit diagram

Order Sekarang

power supply circuit diagram 736×981

power supply circuit diagram

Order Sekarang

circuit diagram   power supply circuit  scientific diagram 850×739

circuit diagram power supply circuit scientific diagram

Order Sekarang

balanced power supply circuit diagram diy tronicspro 1000×548

balanced power supply circuit diagram diy tronicspro

Order Sekarang

universal power supply circuit diagram diy tronicspro 1400×934

universal power supply circuit diagram diy tronicspro

Order Sekarang

power supply circuit diagram  scientific diagram 850×403

power supply circuit diagram scientific diagram

Order Sekarang

atx power supply circuit diagram 2047×1228

atx power supply circuit diagram

Order Sekarang

circuit diagram  power supply 736×463

circuit diagram power supply

Order Sekarang

schematic diagram  power supply wiring diagram 1100×618

schematic diagram power supply wiring diagram

Order Sekarang

purpose power supply circuit diagram 1104×715

purpose power supply circuit diagram

Order Sekarang

schematic diagram power supply power circuit stock vector royalty 1500×1159

schematic diagram power supply power circuit stock vector royalty

Order Sekarang

pc power supply circuit schematics 1262×662

pc power supply circuit schematics

Order Sekarang

circuit diagram   power supply  scientific diagram 350×363

circuit diagram power supply scientific diagram

Order Sekarang

circuit diagram   power supply   system 850×453

circuit diagram power supply system

Order Sekarang

unveiling  blueprint power supply schematic diagram decoded 1200×890

unveiling blueprint power supply schematic diagram decoded

Order Sekarang

Temukan solusi terbaik untuk kenyamanan ruang Anda dengan Power Supply Circuit Diagram! Produk peredam suara dan panas ini menawarkan performa maksimal dengan harga yang terjangkau. Dapatkan kualitas unggul tanpa menguras kantong, dan nikmati suasana tenang serta sejuk di setiap sudut rumah atau kantor Anda. Pilih Power Supply Circuit Diagram – pilihan cerdas untuk investasi jangka panjang!

Tidak ada hasil untuk penelusuran kata kunci Power Supply Circuit Diagram

NO RESULT FOUND

Maaf, tidak ada yang cocok dengan kriteria yang Anda cari.

Apa yang ingin Anda lakukan?
« kembali ke Beranda atau gunakan kotak pencarian dibawah ini untuk mulai penelusuran baru.

Social Media & Marketplace
Chat via Whatsapp

Ada yang ditanyakan?
Klik untuk chat dengan customer support kami

Raisa
● online
Benu
● online
Raisa
● online
Halo, perkenalkan saya Raisa
baru saja
Ada yang bisa saya bantu?
baru saja
Produk Quick Order

Pemesanan dapat langsung menghubungi kontak dibawah:

Power Supply Circuit Diagram

Jika kamu sedang mencari Power Supply Circuit Diagram, maka anda berada di halaman yang tepat. Kami menyediakan aneka Power Supply Circuit Diagram yang bisa anda pesan online. Silakan hubungi kami via +6282245078486, jangan lupa sertakan juka gambar yang diinginkan.

Kami mengirim paket Power Supply Circuit Diagram melalui berbagai ekspedisi, misalnya JNE, JNT, POS, dll. Kami juga menerima pembayaran via BCA/Mandiri/dll. Pengiriman biasanya tidak sampai seminggu sudah sampai dan kami sertakan pula nomor resi yang bisa digunakan untuk tracking barang secara online.

purpose power supply circuit diagram

Tidak hanya Power Supply Circuit Diagram, anda juga bisa melihat gambar lain seperti Graphics Card, 24V SMPS, 12V SMPS, DC Current Source, High Voltage DC, 24V 5A, Delta SMPS, Batapola Antenna, 12V 10A, Hard Disk, UE Megaboom, and Oil Rig.

Berbagai Contoh Power Supply Circuit Diagram

Berikut kami sertakan berbagai contoh gambar untuk Power Supply Circuit Diagram, silakan save gambar di bawah dengan klik tombol pesan, anda akan kami arahkan pemesanan via WA ke +6282245078486.

power supply circuit diagram  explanation 1200×616

power supply circuit diagram explanation

Order Sekarang

diagram schematic power supply circuit diagram 1200×630

diagram schematic power supply circuit diagram

Order Sekarang

basic power supply schematic diagram 1024×1012

basic power supply schematic diagram

Order Sekarang

schematic diagram   simple power supply 664×664

schematic diagram simple power supply

Order Sekarang

circuit diagram   power supply 610×366

circuit diagram power supply

Order Sekarang

power supply circuit diagram wiring diagram 1280×720

power supply circuit diagram wiring diagram

Order Sekarang

affordable  efficient power supply circuit schematics 1200×675

affordable efficient power supply circuit schematics

Order Sekarang

0 x 0

Order Sekarang

circuit diagram   power supply circuit  scientific 850×638

circuit diagram power supply circuit scientific

Order Sekarang

computer schematic power supply circuit diagram  wiring draw 508×445

computer schematic power supply circuit diagram wiring draw

Order Sekarang

circuit diagram  dc power supply wiring 1024×768

circuit diagram dc power supply wiring

Order Sekarang

circuit diagram  power supply  scientific diagram 832×421

circuit diagram power supply scientific diagram

Order Sekarang

power supply circuit diagram variable power supply  va circuit 1000×602

power supply circuit diagram variable power supply va circuit

Order Sekarang

power supply circuit diagram tronicspro 1400×1187

power supply circuit diagram tronicspro

Order Sekarang

electrical circuit diagram   power supply unit   power 616×439

electrical circuit diagram power supply unit power

Order Sekarang

understand  utilize power supply unit circuit diagrams 1200×771

understand utilize power supply unit circuit diagrams

Order Sekarang

dc power supply circuit diagram 1200×869

dc power supply circuit diagram

Order Sekarang

power supply circuit diagram 736×981

power supply circuit diagram

Order Sekarang

circuit diagram   power supply circuit  scientific diagram 850×739

circuit diagram power supply circuit scientific diagram

Order Sekarang

universal power supply circuit diagram diy tronicspro 1400×934

universal power supply circuit diagram diy tronicspro

Order Sekarang

power supply circuit diagram  scientific diagram 850×403

power supply circuit diagram scientific diagram

Order Sekarang

atx power supply circuit diagram 2047×1228

atx power supply circuit diagram

Order Sekarang

circuit diagram  power supply 736×463

circuit diagram power supply

Order Sekarang

schematic diagram  power supply wiring diagram 1100×618

schematic diagram power supply wiring diagram

Order Sekarang

purpose power supply circuit diagram 1104×715

purpose power supply circuit diagram

Order Sekarang

schematic diagram power supply power circuit stock vector royalty 1500×1159

schematic diagram power supply power circuit stock vector royalty

Order Sekarang

pc power supply circuit schematics 1262×662

pc power supply circuit schematics

Order Sekarang

circuit diagram   power supply  scientific diagram 350×363

circuit diagram power supply scientific diagram

Order Sekarang

circuit diagram   power supply   system 850×453

circuit diagram power supply system

Order Sekarang

unveiling  blueprint power supply schematic diagram decoded 1200×890

unveiling blueprint power supply schematic diagram decoded

Order Sekarang

Temukan solusi terbaik untuk kenyamanan ruang Anda dengan Power Supply Circuit Diagram! Produk peredam suara dan panas ini menawarkan performa maksimal dengan harga yang terjangkau. Dapatkan kualitas unggul tanpa menguras kantong, dan nikmati suasana tenang serta sejuk di setiap sudut rumah atau kantor Anda. Pilih Power Supply Circuit Diagram – pilihan cerdas untuk investasi jangka panjang!