Mixed Sensitivity

Jika kamu sedang mencari Mixed Sensitivity, maka anda berada di halaman yang tepat. Kami menyediakan aneka Mixed Sensitivity yang bisa anda pesan online. Silakan hubungi kami via +6282245078486, jangan lupa sertakan juka gambar yang diinginkan.

Kami mengirim paket Mixed Sensitivity melalui berbagai ekspedisi, misalnya JNE, JNT, POS, dll. Kami juga menerima pembayaran via BCA/Mandiri/dll. Pengiriman biasanya tidak sampai seminggu sudah sampai dan kami sertakan pula nomor resi yang bisa digunakan untuk tracking barang secara online.

weighted  block mixed sensitivity problem  scientific

Tidak hanya Mixed Sensitivity, anda juga bisa melihat gambar lain seperti Specificity Table, Workplace Training, Machine Learning, Urine Culture, Diagnostic Test, Label Icon, Specificity Examples, Scenario Analysis, Confusion Matrix, Biology Definition, Analysis ClipArt, Old Ads, Quotes About, Derivative Formula, Girl PNG, Customer Price, Notch, False Negative, Best Valorant, Specificity, Allergy vs, Specificity Fórmula, Specificity Made Easy, and Receiver.

Berbagai Contoh Mixed Sensitivity

Berikut kami sertakan berbagai contoh gambar untuk Mixed Sensitivity, silakan save gambar di bawah dengan klik tombol pesan, anda akan kami arahkan pemesanan via WA ke +6282245078486.

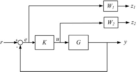
mixed sensitivity problem  scientific diagram 388×205

mixed sensitivity problem scientific diagram

Order Sekarang

mixed sensitivity configuration  scientific diagram 494×238

mixed sensitivity configuration scientific diagram

Order Sekarang

mixed sensitivity method  scientific diagram 505×370

mixed sensitivity method scientific diagram

Order Sekarang

mixed sensitivity control problem  scientific diagram 850×524

mixed sensitivity control problem scientific diagram

Order Sekarang

mixed sensitivity  design  scientific diagram 320×320

mixed sensitivity design scientific diagram

Order Sekarang

sks mixed sensitivity optimization  scientific diagram 672×388

sks mixed sensitivity optimization scientific diagram

Order Sekarang

mixed sensitivity problem  standard form  scientific diagram 616×333

mixed sensitivity problem standard form scientific diagram

Order Sekarang

weighted  block mixed sensitivity problem  scientific 756×249

weighted block mixed sensitivity problem scientific

Order Sekarang

mixed control sensitivity problem  scientific diagram 320×320

mixed control sensitivity problem scientific diagram

Order Sekarang

mixed sensitivity design  scientific diagram 850×447

mixed sensitivity design scientific diagram

Order Sekarang

schematic  mixed sensitivity  design  scientific diagram 307×307

schematic mixed sensitivity design scientific diagram

Order Sekarang

block mixed sensitivity problem  scientific diagram 512×123

block mixed sensitivity problem scientific diagram

Order Sekarang

boundary   mixed sensitivity function condition 850×814

boundary mixed sensitivity function condition

Order Sekarang

block diagram  mixed sensitivity problem  scientific diagram 507×403

block diagram mixed sensitivity problem scientific diagram

Order Sekarang

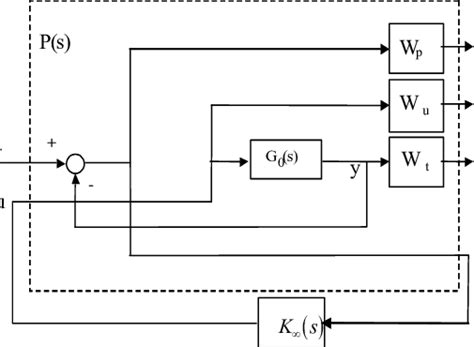
mixed sensitivity standard problem  scientific diagram 668×280

mixed sensitivity standard problem scientific diagram

Order Sekarang

mixed sensitivity problem  high quality scientific diagram 303×303

mixed sensitivity problem high quality scientific diagram

Order Sekarang

mixed sensitivity feedback configuration  scientific diagram 212×212

mixed sensitivity feedback configuration scientific diagram

Order Sekarang

mixed sensitivity control configuration pitch  scientific 649×408

mixed sensitivity control configuration pitch scientific

Order Sekarang

block diagram  mixed sensitivity control  scientific diagram 850×407

block diagram mixed sensitivity control scientific diagram

Order Sekarang

illustration  mixed sensitivity  scientific diagram 709×690

illustration mixed sensitivity scientific diagram

Order Sekarang

mixed sensitivity control  scientific diagram 661×476

mixed sensitivity control scientific diagram

Order Sekarang

block diagram   mixed sensitivity approach  scientific 294×294

block diagram mixed sensitivity approach scientific

Order Sekarang

mixed sensitivitybased robust control system 850×319

mixed sensitivitybased robust control system

Order Sekarang

system configuration  mixedsensitivity design  scientific 850×562

system configuration mixedsensitivity design scientific

Order Sekarang

mixed sensitivity problem   scientific diagram 351×176

mixed sensitivity problem scientific diagram

Order Sekarang

Temukan solusi terbaik untuk kenyamanan ruang Anda dengan Mixed Sensitivity! Produk peredam suara dan panas ini menawarkan performa maksimal dengan harga yang terjangkau. Dapatkan kualitas unggul tanpa menguras kantong, dan nikmati suasana tenang serta sejuk di setiap sudut rumah atau kantor Anda. Pilih Mixed Sensitivity – pilihan cerdas untuk investasi jangka panjang!

Tidak ada hasil untuk penelusuran kata kunci Mixed Sensitivity

NO RESULT FOUND

Maaf, tidak ada yang cocok dengan kriteria yang Anda cari.

Apa yang ingin Anda lakukan?
« kembali ke Beranda atau gunakan kotak pencarian dibawah ini untuk mulai penelusuran baru.

Social Media & Marketplace
Chat via Whatsapp

Ada yang ditanyakan?
Klik untuk chat dengan customer support kami

Raisa
● online
Benu
● online
Raisa
● online
Halo, perkenalkan saya Raisa
baru saja
Ada yang bisa saya bantu?
baru saja
Produk Quick Order

Pemesanan dapat langsung menghubungi kontak dibawah:

Mixed Sensitivity

Jika kamu sedang mencari Mixed Sensitivity, maka anda berada di halaman yang tepat. Kami menyediakan aneka Mixed Sensitivity yang bisa anda pesan online. Silakan hubungi kami via +6282245078486, jangan lupa sertakan juka gambar yang diinginkan.

Kami mengirim paket Mixed Sensitivity melalui berbagai ekspedisi, misalnya JNE, JNT, POS, dll. Kami juga menerima pembayaran via BCA/Mandiri/dll. Pengiriman biasanya tidak sampai seminggu sudah sampai dan kami sertakan pula nomor resi yang bisa digunakan untuk tracking barang secara online.

mixed sensitivity standard problem  scientific diagram

Tidak hanya Mixed Sensitivity, anda juga bisa melihat gambar lain seperti Specificity Table, Pubg Mobile, Urine Culture, Workplace Training, Label Icon, Machine Learning, Specificity Examples, Diagnostic Test, Scenario Analysis, Confusion Matrix, Biology Definition, Analysis ClipArt, Quotes About, Derivative Formula, Girl PNG, Customer Price, Notch, False Negative, Best Valorant, Specificity, Allergy vs, Specificity Fórmula, Specificity Made Easy, and Receiver.

Berbagai Contoh Mixed Sensitivity

Berikut kami sertakan berbagai contoh gambar untuk Mixed Sensitivity, silakan save gambar di bawah dengan klik tombol pesan, anda akan kami arahkan pemesanan via WA ke +6282245078486.

mixed sensitivity problem  scientific diagram 388×205

mixed sensitivity problem scientific diagram

Order Sekarang

mixed sensitivity configuration  scientific diagram 494×238

mixed sensitivity configuration scientific diagram

Order Sekarang

mixed sensitivity method  scientific diagram 505×370

mixed sensitivity method scientific diagram

Order Sekarang

mixed sensitivity control problem  scientific diagram 850×524

mixed sensitivity control problem scientific diagram

Order Sekarang

mixed sensitivity  design  scientific diagram 320×320

mixed sensitivity design scientific diagram

Order Sekarang

sks mixed sensitivity optimization  scientific diagram 672×388

sks mixed sensitivity optimization scientific diagram

Order Sekarang

mixed sensitivity problem  standard form  scientific diagram 616×333

mixed sensitivity problem standard form scientific diagram

Order Sekarang

weighted  block mixed sensitivity problem  scientific 756×249

weighted block mixed sensitivity problem scientific

Order Sekarang

mixed control sensitivity problem  scientific diagram 320×320

mixed control sensitivity problem scientific diagram

Order Sekarang

mixed sensitivity design  scientific diagram 850×447

mixed sensitivity design scientific diagram

Order Sekarang

schematic  mixed sensitivity  design  scientific diagram 307×307

schematic mixed sensitivity design scientific diagram

Order Sekarang

block mixed sensitivity problem  scientific diagram 512×123

block mixed sensitivity problem scientific diagram

Order Sekarang

boundary   mixed sensitivity function condition 850×814

boundary mixed sensitivity function condition

Order Sekarang

block diagram  mixed sensitivity problem  scientific diagram 507×403

block diagram mixed sensitivity problem scientific diagram

Order Sekarang

mixed sensitivity standard problem  scientific diagram 668×280

mixed sensitivity standard problem scientific diagram

Order Sekarang

mixed sensitivity problem  high quality scientific diagram 303×303

mixed sensitivity problem high quality scientific diagram

Order Sekarang

mixed sensitivity feedback configuration  scientific diagram 212×212

mixed sensitivity feedback configuration scientific diagram

Order Sekarang

mixed sensitivity control configuration pitch  scientific 649×408

mixed sensitivity control configuration pitch scientific

Order Sekarang

block diagram  mixed sensitivity control  scientific diagram 850×407

block diagram mixed sensitivity control scientific diagram

Order Sekarang

illustration  mixed sensitivity  scientific diagram 709×690

illustration mixed sensitivity scientific diagram

Order Sekarang

mixed sensitivity control  scientific diagram 661×476

mixed sensitivity control scientific diagram

Order Sekarang

block diagram   mixed sensitivity approach  scientific 294×294

block diagram mixed sensitivity approach scientific

Order Sekarang

mixed sensitivitybased robust control system 850×319

mixed sensitivitybased robust control system

Order Sekarang

system configuration  mixedsensitivity design  scientific 850×562

system configuration mixedsensitivity design scientific

Order Sekarang

mixed sensitivity problem   scientific diagram 351×176

mixed sensitivity problem scientific diagram

Order Sekarang

Temukan solusi terbaik untuk kenyamanan ruang Anda dengan Mixed Sensitivity! Produk peredam suara dan panas ini menawarkan performa maksimal dengan harga yang terjangkau. Dapatkan kualitas unggul tanpa menguras kantong, dan nikmati suasana tenang serta sejuk di setiap sudut rumah atau kantor Anda. Pilih Mixed Sensitivity – pilihan cerdas untuk investasi jangka panjang!