Encoder Wiring

Jika kamu sedang mencari Encoder Wiring, maka anda berada di halaman yang tepat. Kami menyediakan aneka Encoder Wiring yang bisa anda pesan online. Silakan hubungi kami via +6282245078486, jangan lupa sertakan juka gambar yang diinginkan.

Kami mengirim paket Encoder Wiring melalui berbagai ekspedisi, misalnya JNE, JNT, POS, dll. Kami juga menerima pembayaran via BCA/Mandiri/dll. Pengiriman biasanya tidak sampai seminggu sudah sampai dan kami sertakan pula nomor resi yang bisa digunakan untuk tracking barang secara online.

absolute encoder wiring diagram sportcarima

Tidak hanya Encoder Wiring, anda juga bisa melihat gambar lain seperti Cheat Sheet, SINAMICS S20 X520, Servo Motor, PowerFlex 755, Single Ended, DC Motor, 4 Wire, Pull Up Resistor, Detail Drawing, Arduino Rotary, Colors, ABZ, Inverter, Yc2010, Free Joy 4, Motor, 16 Wire, Industrial, Wled Rotary, plc, Belden, and Draw Wire.

Berbagai Contoh Encoder Wiring

Berikut kami sertakan berbagai contoh gambar untuk Encoder Wiring, silakan save gambar di bawah dengan klik tombol pesan, anda akan kami arahkan pemesanan via WA ke +6282245078486.

absolute encoder wiring diagram schema digital 765×558

absolute encoder wiring diagram schema digital

Order Sekarang

lika encoder wiring diagram wiring diagram 535×353

lika encoder wiring diagram wiring diagram

Order Sekarang

optical encoder wiring diagram 1600×1151

optical encoder wiring diagram

Order Sekarang

rotary encoder wiring diagram 725×460

rotary encoder wiring diagram

Order Sekarang

quadrature encoder wiring diagram 900×385

quadrature encoder wiring diagram

Order Sekarang

encoder wiring connection 768×540

encoder wiring connection

Order Sekarang

understanding  basics wiring diagram  rotary encoder 742×511

understanding basics wiring diagram rotary encoder

Order Sekarang

encoder wiring diagram enventek 1024×1019

encoder wiring diagram enventek

Order Sekarang

tips  understanding  implementing  bei encoder wiring diagram 1200×900

tips understanding implementing bei encoder wiring diagram

Order Sekarang

dc motor encoder wiring diagram 600×240

dc motor encoder wiring diagram

Order Sekarang

wiring diagram   dc motor encoder 1500×798

wiring diagram dc motor encoder

Order Sekarang

motor encoder wiring diagram knitard vrogueco 1175×787

motor encoder wiring diagram knitard vrogueco

Order Sekarang

motor encoder wiring diagram knitard 1024×694

motor encoder wiring diagram knitard

Order Sekarang

encoder wiring linuxcnc 2400×3200

encoder wiring linuxcnc

Order Sekarang

wiring encoder cable  dave morris blog 3827×1149

wiring encoder cable dave morris blog

Order Sekarang

encoder color comparison wiring diagram 583×463

encoder color comparison wiring diagram

Order Sekarang

question motor  encoder wiring 1600×1200

question motor encoder wiring

Order Sekarang

wiring diagram  encoder  plc 635×418

wiring diagram encoder plc

Order Sekarang

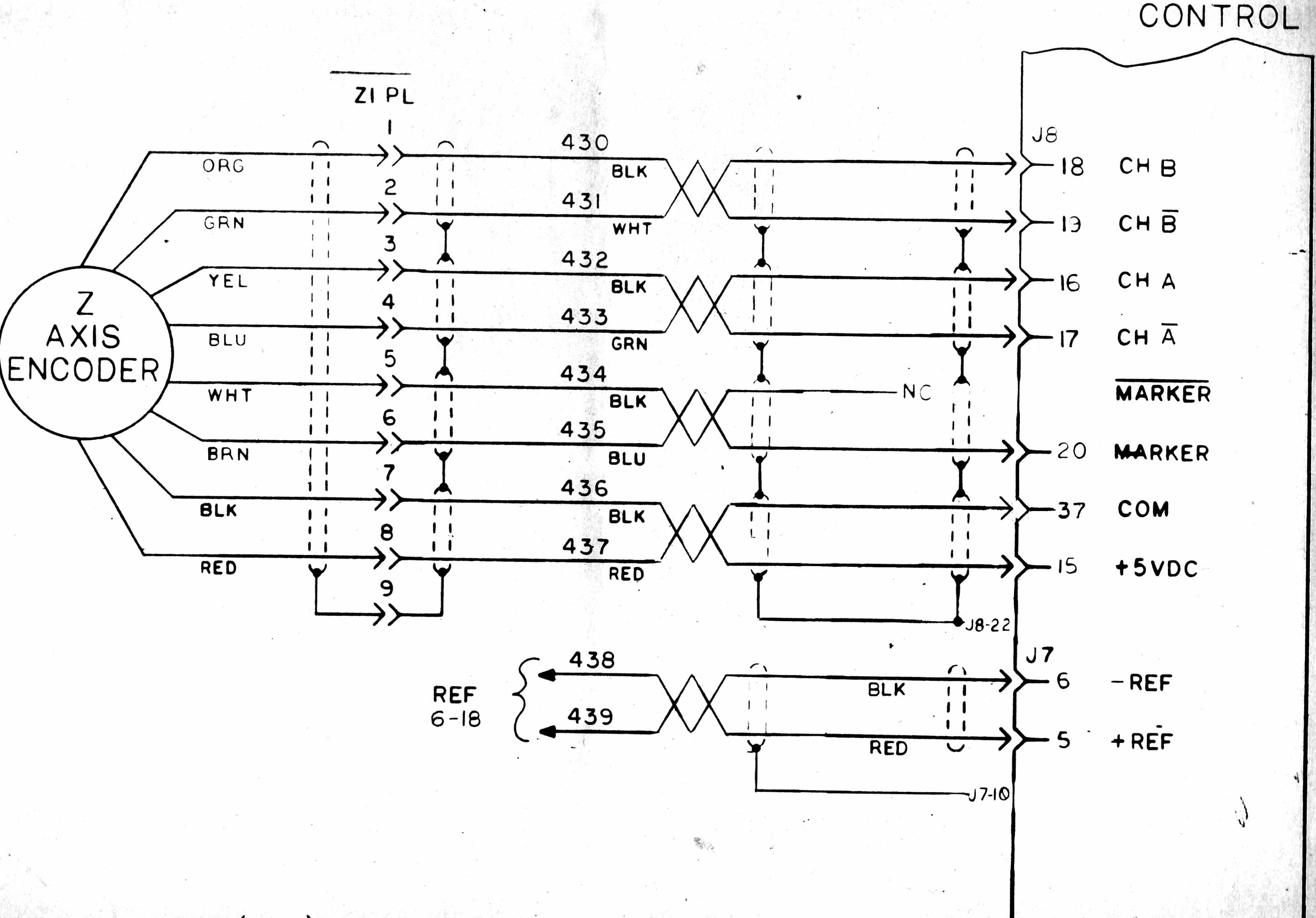
absolute encoder wiring diagram sportcarima 3200×2233

absolute encoder wiring diagram sportcarima

Order Sekarang

encoder connector cable assemblies 1080×540

encoder connector cable assemblies

Order Sekarang

encoder wiring  rplc 338×846

encoder wiring rplc

Order Sekarang

rotary encoder wiring  qmk rolkb 1783×1211

rotary encoder wiring qmk rolkb

Order Sekarang

Temukan solusi terbaik untuk kenyamanan ruang Anda dengan Encoder Wiring! Produk peredam suara dan panas ini menawarkan performa maksimal dengan harga yang terjangkau. Dapatkan kualitas unggul tanpa menguras kantong, dan nikmati suasana tenang serta sejuk di setiap sudut rumah atau kantor Anda. Pilih Encoder Wiring – pilihan cerdas untuk investasi jangka panjang!

Tidak ada hasil untuk penelusuran kata kunci Encoder Wiring

NO RESULT FOUND

Maaf, tidak ada yang cocok dengan kriteria yang Anda cari.

Apa yang ingin Anda lakukan?
« kembali ke Beranda atau gunakan kotak pencarian dibawah ini untuk mulai penelusuran baru.

Social Media & Marketplace
Chat via Whatsapp

Ada yang ditanyakan?
Klik untuk chat dengan customer support kami

Raisa
● online
Benu
● online
Raisa
● online
Halo, perkenalkan saya Raisa
baru saja
Ada yang bisa saya bantu?
baru saja
Produk Quick Order

Pemesanan dapat langsung menghubungi kontak dibawah:

Encoder Wiring

Jika kamu sedang mencari Encoder Wiring, maka anda berada di halaman yang tepat. Kami menyediakan aneka Encoder Wiring yang bisa anda pesan online. Silakan hubungi kami via +6282245078486, jangan lupa sertakan juka gambar yang diinginkan.

Kami mengirim paket Encoder Wiring melalui berbagai ekspedisi, misalnya JNE, JNT, POS, dll. Kami juga menerima pembayaran via BCA/Mandiri/dll. Pengiriman biasanya tidak sampai seminggu sudah sampai dan kami sertakan pula nomor resi yang bisa digunakan untuk tracking barang secara online.

encoder color comparison wiring diagram

Tidak hanya Encoder Wiring, anda juga bisa melihat gambar lain seperti Cheat Sheet, Diagram PDF, Sew Ek8c, Push Pull, SINAMICS S20 X520, Servo Motor, PowerFlex 755, Single Ended, DC Motor, 4 Wire, Pull Up Resistor, Detail Drawing, Inverter, Yc2010, Free Joy 4, Motor, 16 Wire, Industrial, Wled Rotary, plc, Belden, and Draw Wire.

Berbagai Contoh Encoder Wiring

Berikut kami sertakan berbagai contoh gambar untuk Encoder Wiring, silakan save gambar di bawah dengan klik tombol pesan, anda akan kami arahkan pemesanan via WA ke +6282245078486.

absolute encoder wiring diagram schema digital 765×558

absolute encoder wiring diagram schema digital

Order Sekarang

lika encoder wiring diagram wiring diagram 535×353

lika encoder wiring diagram wiring diagram

Order Sekarang

optical encoder wiring diagram 1600×1151

optical encoder wiring diagram

Order Sekarang

rotary encoder wiring diagram 725×460

rotary encoder wiring diagram

Order Sekarang

quadrature encoder wiring diagram 900×385

quadrature encoder wiring diagram

Order Sekarang

encoder wiring connection 768×540

encoder wiring connection

Order Sekarang

understanding  basics wiring diagram  rotary encoder 742×511

understanding basics wiring diagram rotary encoder

Order Sekarang

encoder wiring diagram enventek 1024×1019

encoder wiring diagram enventek

Order Sekarang

tips  understanding  implementing  bei encoder wiring diagram 1200×900

tips understanding implementing bei encoder wiring diagram

Order Sekarang

dc motor encoder wiring diagram 600×240

dc motor encoder wiring diagram

Order Sekarang

wiring diagram   dc motor encoder 1500×798

wiring diagram dc motor encoder

Order Sekarang

motor encoder wiring diagram knitard vrogueco 1175×787

motor encoder wiring diagram knitard vrogueco

Order Sekarang

motor encoder wiring diagram knitard 1024×694

motor encoder wiring diagram knitard

Order Sekarang

encoder wiring linuxcnc 2400×3200

encoder wiring linuxcnc

Order Sekarang

wiring encoder cable  dave morris blog 3827×1149

wiring encoder cable dave morris blog

Order Sekarang

encoder color comparison wiring diagram 583×463

encoder color comparison wiring diagram

Order Sekarang

question motor  encoder wiring 1600×1200

question motor encoder wiring

Order Sekarang

wiring diagram  encoder  plc 635×418

wiring diagram encoder plc

Order Sekarang

absolute encoder wiring diagram sportcarima 3200×2233

absolute encoder wiring diagram sportcarima

Order Sekarang

encoder connector cable assemblies 1080×540

encoder connector cable assemblies

Order Sekarang

encoder wiring  rplc 338×846

encoder wiring rplc

Order Sekarang

rotary encoder wiring  qmk rolkb 1783×1211

rotary encoder wiring qmk rolkb

Order Sekarang

Temukan solusi terbaik untuk kenyamanan ruang Anda dengan Encoder Wiring! Produk peredam suara dan panas ini menawarkan performa maksimal dengan harga yang terjangkau. Dapatkan kualitas unggul tanpa menguras kantong, dan nikmati suasana tenang serta sejuk di setiap sudut rumah atau kantor Anda. Pilih Encoder Wiring – pilihan cerdas untuk investasi jangka panjang!