Column Ignition Switch

Jika kamu sedang mencari Column Ignition Switch, maka anda berada di halaman yang tepat. Kami menyediakan aneka Column Ignition Switch yang bisa anda pesan online. Silakan hubungi kami via +6282245078486, jangan lupa sertakan juka gambar yang diinginkan.

Kami mengirim paket Column Ignition Switch melalui berbagai ekspedisi, misalnya JNE, JNT, POS, dll. Kami juga menerima pembayaran via BCA/Mandiri/dll. Pengiriman biasanya tidak sampai seminggu sudah sampai dan kami sertakan pula nomor resi yang bisa digunakan untuk tracking barang secara online.

switch ignition auto trade supplies

Tidak hanya Column Ignition Switch, anda juga bisa melihat gambar lain seperti Ford F100, Lawn Mower, Heavy Duty, Honda Accord, Nissan Sentra, John Deere, Wiring Diagram, CFMoto, Motor Controller, Volvo Penta, Ford Tractor, Dodge Ram, Push Button, Club Car, 94 Dodge Spirit, Hisense TV, Clark Forklift, Jeep Grand Cherokee, Wiring Diagram For, 57 Chevy, Ford Truck, Model, Symbol, and 2 Position.

Berbagai Contoh Column Ignition Switch

Berikut kami sertakan berbagai contoh gambar untuk Column Ignition Switch, silakan save gambar di bawah dengan klik tombol pesan, anda akan kami arahkan pemesanan via WA ke +6282245078486.

column ignition switch team chevelle 4128×2322

column ignition switch team chevelle

Order Sekarang

column ignition switch wiring diagram needed 823×874

column ignition switch wiring diagram needed

Order Sekarang

ignition switch ignition switch unit  steering column lock 750×750

ignition switch ignition switch unit steering column lock

Order Sekarang

ignition switch australian column mounted wildchildclassiccars 500×403

ignition switch australian column mounted wildchildclassiccars

Order Sekarang

column ignition switch repair ihmud forum 640×480

column ignition switch repair ihmud forum

Order Sekarang

steering columnignition switch replacement 871×1936

steering columnignition switch replacement

Order Sekarang

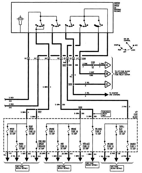
gm column mounted ignition switch wiring diagram wiring diagram 783×800

gm column mounted ignition switch wiring diagram wiring diagram

Order Sekarang

gm buick cadillac chevrolet oldsmobile pontiac switches ign 822×617

gm buick cadillac chevrolet oldsmobile pontiac switches ign

Order Sekarang

ji series smart ignition switch ignition switch  civil usage 800×600

ji series smart ignition switch ignition switch civil usage

Order Sekarang

gm column ignition switch wiring diagram ignite activity diagram wire 736×473

gm column ignition switch wiring diagram ignite activity diagram wire

Order Sekarang

column switch kirg importers 567×305

column switch kirg importers

Order Sekarang

steering column ignition switch relocation harness lectric limited 800×800

steering column ignition switch relocation harness lectric limited

Order Sekarang

gm buick cadillac chevrolet oldsmobile pontiac gm ignition 1250×1204

gm buick cadillac chevrolet oldsmobile pontiac gm ignition

Order Sekarang

gm tilt steering column ignition switch  jake congreve blog 1200×1200

gm tilt steering column ignition switch jake congreve blog

Order Sekarang

function  ignition switch    symptoms  bad 596×357

function ignition switch symptoms bad

Order Sekarang

gm column ignition switch wiring diagram  elijah newton blog 1280×720

gm column ignition switch wiring diagram elijah newton blog

Order Sekarang

steering column ignition switch wiring diagram chevy wiring diagram 1000×941

steering column ignition switch wiring diagram chevy wiring diagram

Order Sekarang

chevy silverado steering column ignition switch wiring diagrams 736×518

chevy silverado steering column ignition switch wiring diagrams

Order Sekarang

ididit steering column ignition switch wiring  hugo bergin blog 1200×1463

ididit steering column ignition switch wiring hugo bergin blog

Order Sekarang

ignition switch evilution 920×906

ignition switch evilution

Order Sekarang

gm steering column ignition switch wiring 1203×1531

gm steering column ignition switch wiring

Order Sekarang

switch ignition auto trade supplies 1000×1000

switch ignition auto trade supplies

Order Sekarang

gm column ignition switch wiring diagram 1600×2164

gm column ignition switch wiring diagram

Order Sekarang

remove ignition switch  steering column 1280×720

remove ignition switch steering column

Order Sekarang

ignition switch assembly figure  shows  top view   ignition 442×442

ignition switch assembly figure shows top view ignition

Order Sekarang

ignition switch wiring diagram auto electrics ozfalcon ford 803×1080

ignition switch wiring diagram auto electrics ozfalcon ford

Order Sekarang

ignition switch gm steering column wiring color codes  sandra galvez blog 1536×1229

ignition switch gm steering column wiring color codes sandra galvez blog

Order Sekarang

title understanding   position ignition switch diagram 1166×739

title understanding position ignition switch diagram

Order Sekarang

Temukan solusi terbaik untuk kenyamanan ruang Anda dengan Column Ignition Switch! Produk peredam suara dan panas ini menawarkan performa maksimal dengan harga yang terjangkau. Dapatkan kualitas unggul tanpa menguras kantong, dan nikmati suasana tenang serta sejuk di setiap sudut rumah atau kantor Anda. Pilih Column Ignition Switch – pilihan cerdas untuk investasi jangka panjang!

Tidak ada hasil untuk penelusuran kata kunci Column Ignition Switch

NO RESULT FOUND

Maaf, tidak ada yang cocok dengan kriteria yang Anda cari.

Apa yang ingin Anda lakukan?
« kembali ke Beranda atau gunakan kotak pencarian dibawah ini untuk mulai penelusuran baru.

Social Media & Marketplace
Chat via Whatsapp

Ada yang ditanyakan?
Klik untuk chat dengan customer support kami

Raisa
● online
Benu
● online
Raisa
● online
Halo, perkenalkan saya Raisa
baru saja
Ada yang bisa saya bantu?
baru saja
Produk Quick Order

Pemesanan dapat langsung menghubungi kontak dibawah:

Column Ignition Switch

Jika kamu sedang mencari Column Ignition Switch, maka anda berada di halaman yang tepat. Kami menyediakan aneka Column Ignition Switch yang bisa anda pesan online. Silakan hubungi kami via +6282245078486, jangan lupa sertakan juka gambar yang diinginkan.

Kami mengirim paket Column Ignition Switch melalui berbagai ekspedisi, misalnya JNE, JNT, POS, dll. Kami juga menerima pembayaran via BCA/Mandiri/dll. Pengiriman biasanya tidak sampai seminggu sudah sampai dan kami sertakan pula nomor resi yang bisa digunakan untuk tracking barang secara online.

function  ignition switch    symptoms  bad

Tidak hanya Column Ignition Switch, anda juga bisa melihat gambar lain seperti Ford F100, Lawn Mower, Heavy Duty, Honda Accord, Nissan Sentra, John Deere, Wiring Diagram, CFMoto, Motor Controller, Volvo Penta, Ford Tractor, Dodge Ram, Push Button, Club Car, 94 Dodge Spirit, Hisense TV, Clark Forklift, Jeep Grand Cherokee, Wiring Diagram For, 57 Chevy, Ford Truck, Model, Symbol, and 2 Position.

Berbagai Contoh Column Ignition Switch

Berikut kami sertakan berbagai contoh gambar untuk Column Ignition Switch, silakan save gambar di bawah dengan klik tombol pesan, anda akan kami arahkan pemesanan via WA ke +6282245078486.

column ignition switch team chevelle 4128×2322

column ignition switch team chevelle

Order Sekarang

column ignition switch wiring diagram needed 823×874

column ignition switch wiring diagram needed

Order Sekarang

ignition switch ignition switch unit  steering column lock 750×750

ignition switch ignition switch unit steering column lock

Order Sekarang

ignition switch australian column mounted wildchildclassiccars 500×403

ignition switch australian column mounted wildchildclassiccars

Order Sekarang

column ignition switch repair ihmud forum 640×480

column ignition switch repair ihmud forum

Order Sekarang

ignition switch panel odysseas erodotou 1512×900

ignition switch panel odysseas erodotou

Order Sekarang

gm column mounted ignition switch wiring diagram wiring diagram 783×800

gm column mounted ignition switch wiring diagram wiring diagram

Order Sekarang

gm buick cadillac chevrolet oldsmobile pontiac switches ign 822×617

gm buick cadillac chevrolet oldsmobile pontiac switches ign

Order Sekarang

ji series smart ignition switch ignition switch  civil usage 800×600

ji series smart ignition switch ignition switch civil usage

Order Sekarang

terminal ignition switch diagram 600×503

terminal ignition switch diagram

Order Sekarang

gm column ignition switch wiring diagram ignite activity diagram wire 736×473

gm column ignition switch wiring diagram ignite activity diagram wire

Order Sekarang

column switch kirg importers 567×305

column switch kirg importers

Order Sekarang

steering column ignition switch relocation harness lectric limited 800×800

steering column ignition switch relocation harness lectric limited

Order Sekarang

gm buick cadillac chevrolet oldsmobile pontiac gm ignition 1250×1204

gm buick cadillac chevrolet oldsmobile pontiac gm ignition

Order Sekarang

function  ignition switch    symptoms  bad 596×357

function ignition switch symptoms bad

Order Sekarang

gm column ignition switch wiring diagram  elijah newton blog 1280×720

gm column ignition switch wiring diagram elijah newton blog

Order Sekarang

chevy silverado steering column ignition switch wiring diagrams 736×518

chevy silverado steering column ignition switch wiring diagrams

Order Sekarang

ididit steering column ignition switch wiring  hugo bergin blog 1200×1463

ididit steering column ignition switch wiring hugo bergin blog

Order Sekarang

ignition switch evilution 920×906

ignition switch evilution

Order Sekarang

gm steering column ignition switch wiring 1203×1531

gm steering column ignition switch wiring

Order Sekarang

switch ignition auto trade supplies 1000×1000

switch ignition auto trade supplies

Order Sekarang

gm column ignition switch wiring diagram 1600×2164

gm column ignition switch wiring diagram

Order Sekarang

remove ignition switch  steering column 1280×720

remove ignition switch steering column

Order Sekarang

ignition switch assembly figure  shows  top view   ignition 702×442

ignition switch assembly figure shows top view ignition

Order Sekarang

ignition switch wiring diagram auto electrics ozfalcon ford 803×1080

ignition switch wiring diagram auto electrics ozfalcon ford

Order Sekarang

ignition switch gm steering column wiring color codes  sandra galvez blog 1536×1229

ignition switch gm steering column wiring color codes sandra galvez blog

Order Sekarang

title understanding   position ignition switch diagram 1166×739

title understanding position ignition switch diagram

Order Sekarang

Temukan solusi terbaik untuk kenyamanan ruang Anda dengan Column Ignition Switch! Produk peredam suara dan panas ini menawarkan performa maksimal dengan harga yang terjangkau. Dapatkan kualitas unggul tanpa menguras kantong, dan nikmati suasana tenang serta sejuk di setiap sudut rumah atau kantor Anda. Pilih Column Ignition Switch – pilihan cerdas untuk investasi jangka panjang!