Code 13215

Jika kamu sedang mencari Code 13215, maka anda berada di halaman yang tepat. Kami menyediakan aneka Code 13215 yang bisa anda pesan online. Silakan hubungi kami via +6282245078486, jangan lupa sertakan juka gambar yang diinginkan.

Kami mengirim paket Code 13215 melalui berbagai ekspedisi, misalnya JNE, JNT, POS, dll. Kami juga menerima pembayaran via BCA/Mandiri/dll. Pengiriman biasanya tidak sampai seminggu sudah sampai dan kami sertakan pula nomor resi yang bisa digunakan untuk tracking barang secara online.

Tidak hanya Code 13215, anda juga bisa melihat gambar lain seperti Clip Art, Computer Science, Fake QR, Boruto Manga, Software Development, Computer Source, Visual Studio, Computer Program, Logo Design, Open Source, Chat GPT, Logo png, Royal Blue Color, Wallpaper 4K, Free QR, Learn How, Morse, Cipher, Program, Text, Law, and Barre.

Berbagai Contoh Code 13215

Berikut kami sertakan berbagai contoh gambar untuk Code 13215, silakan save gambar di bawah dengan klik tombol pesan, anda akan kami arahkan pemesanan via WA ke +6282245078486.

zoom error code  quick easy solutions 702×487

zoom error code quick easy solutions

Order Sekarang

auveco  autobodyclipscom 437×300

auveco autobodyclipscom

Order Sekarang

syracuse zip  ny 300×300

syracuse zip ny

Order Sekarang

zoom error code    fix 700×400

zoom error code fix

Order Sekarang

compiling build   class   field senderrorstolua error 1468×248

compiling build class field senderrorstolua error

Order Sekarang

thai amulets dhammapath address  jalan medan ipoh  bandar 540×600

thai amulets dhammapath address jalan medan ipoh bandar

Order Sekarang

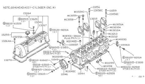
genuine nissan  bushing rocker 975×566

genuine nissan bushing rocker

Order Sekarang

zip code syracuse  york profile homes apartments 600×300

zip code syracuse york profile homes apartments

Order Sekarang

client  china facing  error code  zoom community 1200×627

client china facing error code zoom community

Order Sekarang

zoom zoom community 1280×2774

zoom zoom community

Order Sekarang

800×534

Order Sekarang

solved fix tractor engine shutdown  error code minimum injections 1200×630

solved fix tractor engine shutdown error code minimum injections

Order Sekarang

zoom error code    fix    solutions 1000×1000

zoom error code fix solutions

Order Sekarang

fix zoom error code   windows  techcult 1200×800

fix zoom error code windows techcult

Order Sekarang

exit code  rrevancedapp 640×2066

exit code rrevancedapp

Order Sekarang

code p p p  p 1080×1920

code p p p p

Order Sekarang

vw rns code page 1920×1080

vw rns code page

Order Sekarang

code means rsiemens 640×1137

code means rsiemens

Order Sekarang

error code  time    sign     fix 750×976

error code time sign fix

Order Sekarang

quickly resolve quickbooks code   andrew walker sep 413×531

quickly resolve quickbooks code andrew walker sep

Order Sekarang

cummins  cm xb  newer fault code  pid spn 150×150

cummins cm xb newer fault code pid spn

Order Sekarang

causesolution   code rnissan 140×140

causesolution code rnissan

Order Sekarang

cummins isx cm   fault code  pid spn  fmi 600×600

cummins isx cm fault code pid spn fmi

Order Sekarang

error code  results  loss  abs hill holder esp cruise 1080×2400

error code results loss abs hill holder esp cruise

Order Sekarang

hl mshkl code  ba  rosh sadh jalb aamoz 960×540

hl mshkl code ba rosh sadh jalb aamoz

Order Sekarang

Temukan solusi terbaik untuk kenyamanan ruang Anda dengan Code 13215! Produk peredam suara dan panas ini menawarkan performa maksimal dengan harga yang terjangkau. Dapatkan kualitas unggul tanpa menguras kantong, dan nikmati suasana tenang serta sejuk di setiap sudut rumah atau kantor Anda. Pilih Code 13215 – pilihan cerdas untuk investasi jangka panjang!

Tidak ada hasil untuk penelusuran kata kunci Code 13215

NO RESULT FOUND

Maaf, tidak ada yang cocok dengan kriteria yang Anda cari.

Apa yang ingin Anda lakukan?
« kembali ke Beranda atau gunakan kotak pencarian dibawah ini untuk mulai penelusuran baru.

Social Media & Marketplace
Chat via Whatsapp

Ada yang ditanyakan?
Klik untuk chat dengan customer support kami

Raisa
● online
Benu
● online
Raisa
● online
Halo, perkenalkan saya Raisa
baru saja
Ada yang bisa saya bantu?
baru saja
Produk Quick Order

Pemesanan dapat langsung menghubungi kontak dibawah:

Code 13215

Jika kamu sedang mencari Code 13215, maka anda berada di halaman yang tepat. Kami menyediakan aneka Code 13215 yang bisa anda pesan online. Silakan hubungi kami via +6282245078486, jangan lupa sertakan juka gambar yang diinginkan.

Kami mengirim paket Code 13215 melalui berbagai ekspedisi, misalnya JNE, JNT, POS, dll. Kami juga menerima pembayaran via BCA/Mandiri/dll. Pengiriman biasanya tidak sampai seminggu sudah sampai dan kami sertakan pula nomor resi yang bisa digunakan untuk tracking barang secara online.

Tidak hanya Code 13215, anda juga bisa melihat gambar lain seperti Clip Art, Computer Science, Fake QR, Boruto Manga, Software Development, Computer Source, Visual Studio, Computer Program, Logo Design, Open Source, Chat GPT, Logo png, Royal Blue Color, Wallpaper 4K, Free QR, Learn How, Morse, Cipher, Program, Text, Law, and Barre.

Berbagai Contoh Code 13215

Berikut kami sertakan berbagai contoh gambar untuk Code 13215, silakan save gambar di bawah dengan klik tombol pesan, anda akan kami arahkan pemesanan via WA ke +6282245078486.

zoom error code  quick easy solutions 702×487

zoom error code quick easy solutions

Order Sekarang

auveco  autobodyclipscom 437×300

auveco autobodyclipscom

Order Sekarang

syracuse zip  ny 300×300

syracuse zip ny

Order Sekarang

zoom error code    fix 700×400

zoom error code fix

Order Sekarang

compiling build   class   field senderrorstolua error 1468×248

compiling build class field senderrorstolua error

Order Sekarang

thai amulets dhammapath address  jalan medan ipoh  bandar 540×600

thai amulets dhammapath address jalan medan ipoh bandar

Order Sekarang

genuine nissan  bushing rocker 975×566

genuine nissan bushing rocker

Order Sekarang

zip code syracuse  york profile homes apartments 600×300

zip code syracuse york profile homes apartments

Order Sekarang

client  china facing  error code  zoom community 1200×627

client china facing error code zoom community

Order Sekarang

zoom zoom community 1280×2774

zoom zoom community

Order Sekarang

800×534

Order Sekarang

solved fix tractor engine shutdown  error code minimum injections 1200×630

solved fix tractor engine shutdown error code minimum injections

Order Sekarang

zoom error code    fix    solutions 1000×1000

zoom error code fix solutions

Order Sekarang

fix zoom error code   windows  techcult 1200×800

fix zoom error code windows techcult

Order Sekarang

exit code  rrevancedapp 640×2066

exit code rrevancedapp

Order Sekarang

code p p p  p 1080×1920

code p p p p

Order Sekarang

vw rns code page 1920×1080

vw rns code page

Order Sekarang

code means rsiemens 640×1137

code means rsiemens

Order Sekarang

error code  time    sign     fix 750×976

error code time sign fix

Order Sekarang

quickly resolve quickbooks code   andrew walker sep 413×531

quickly resolve quickbooks code andrew walker sep

Order Sekarang

cummins  cm xb  newer fault code  pid spn 150×150

cummins cm xb newer fault code pid spn

Order Sekarang

causesolution   code rnissan 140×140

causesolution code rnissan

Order Sekarang

cummins isx cm   fault code  pid spn  fmi 600×600

cummins isx cm fault code pid spn fmi

Order Sekarang

error code  results  loss  abs hill holder esp cruise 1080×2400

error code results loss abs hill holder esp cruise

Order Sekarang

hl mshkl code  ba  rosh sadh jalb aamoz 960×540

hl mshkl code ba rosh sadh jalb aamoz

Order Sekarang

Temukan solusi terbaik untuk kenyamanan ruang Anda dengan Code 13215! Produk peredam suara dan panas ini menawarkan performa maksimal dengan harga yang terjangkau. Dapatkan kualitas unggul tanpa menguras kantong, dan nikmati suasana tenang serta sejuk di setiap sudut rumah atau kantor Anda. Pilih Code 13215 – pilihan cerdas untuk investasi jangka panjang!