Boolean Type

Jika kamu sedang mencari Boolean Type, maka anda berada di halaman yang tepat. Kami menyediakan aneka Boolean Type yang bisa anda pesan online. Silakan hubungi kami via +6282245078486, jangan lupa sertakan juka gambar yang diinginkan.

Kami mengirim paket Boolean Type melalui berbagai ekspedisi, misalnya JNE, JNT, POS, dll. Kami juga menerima pembayaran via BCA/Mandiri/dll. Pengiriman biasanya tidak sampai seminggu sudah sampai dan kami sertakan pula nomor resi yang bisa digunakan untuk tracking barang secara online.

logic circuit boolean expression

Tidak hanya Boolean Type, anda juga bisa melihat gambar lain seperti Mean Data, What Is Data, SQL Data, Does Have, Reporting Services, Data, Java, Python, MySQL, Java Return, JavaScript, XML, Data Type, Integer, Boolean Logic, string, Floating Point, Boolean Function, Character, Bit, Boolean algebra, Boolean Expression, Primitive type, and Array Data Type.

Berbagai Contoh Boolean Type

Berikut kami sertakan berbagai contoh gambar untuk Boolean Type, silakan save gambar di bawah dengan klik tombol pesan, anda akan kami arahkan pemesanan via WA ke +6282245078486.

boolean logic  data representation 768×1024

boolean logic data representation

Order Sekarang

lesson binary logic boolean function    logic 768×1024

lesson binary logic boolean function logic

Order Sekarang

boolean data type royalty  images stock  pictures 778×280

boolean data type royalty images stock pictures

Order Sekarang

boolean data type phoenixnap kb 800×400

boolean data type phoenixnap kb

Order Sekarang

boolean logic  labelled diagram 800×600

boolean logic labelled diagram

Order Sekarang

boolean logical data type boolean logical data 720×540

boolean logical data type boolean logical data

Order Sekarang

boolean expressions tutorial circuits diagrams combination logic 575×520

boolean expressions tutorial circuits diagrams combination logic

Order Sekarang

examples  boolean operators   searches 1000×629

examples boolean operators searches

Order Sekarang

postgresql boolean data type  examples commandprompt 983×500

postgresql boolean data type examples commandprompt

Order Sekarang

boolean logic circuit examples 1141×674

boolean logic circuit examples

Order Sekarang

boolean logic diagram generator 600×609

boolean logic diagram generator

Order Sekarang

boolean logic circuit examples wiring draw  schematic 528×198

boolean logic circuit examples wiring draw schematic

Order Sekarang

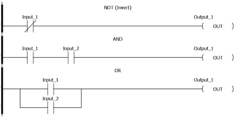
logic circuit boolean expression 603×238

logic circuit boolean expression

Order Sekarang

boolean logic circuit examples wiring diagram 1900×848

boolean logic circuit examples wiring diagram

Order Sekarang

boolean logic diagrams flashcards quizlet 500×206

boolean logic diagrams flashcards quizlet

Order Sekarang

boolean logic examples  boolean logic vrogueco 2090×652

boolean logic examples boolean logic vrogueco

Order Sekarang

boolean expression  logic circuit calculator wiring flow schema 337×387

boolean expression logic circuit calculator wiring flow schema

Order Sekarang

boolean expression  logic circuit examples 320×320

boolean expression logic circuit examples

Order Sekarang

boolean expression  logic diagram converter 600×360

boolean expression logic diagram converter

Order Sekarang

logic diagram maker  boolean expression wiring diagram 788×230

logic diagram maker boolean expression wiring diagram

Order Sekarang

python  boolean true false 682×635

python boolean true false

Order Sekarang

boolean logic  ladder diagrams technical articles 800×400

boolean logic ladder diagrams technical articles

Order Sekarang

boolean algebra base  digital logic circuit diagram board 377×321

boolean algebra base digital logic circuit diagram board

Order Sekarang

solved  boolean function   logic diagram  truth cheggcom 1334×750

solved boolean function logic diagram truth cheggcom

Order Sekarang

construct logic circuit  boolean expression 456×389

construct logic circuit boolean expression

Order Sekarang

boolean logic gates truth tables  circuits 768×432

boolean logic gates truth tables circuits

Order Sekarang

architecture boolean logic  input boolean functions truth 629×850

architecture boolean logic input boolean functions truth

Order Sekarang

boolean logicpptx programming languages computing 2048×1536

boolean logicpptx programming languages computing

Order Sekarang

computer science boolean logic  flashcards quizlet 500×271

computer science boolean logic flashcards quizlet

Order Sekarang

creating logic diagrams  boolean expressions 904×358

creating logic diagrams boolean expressions

Order Sekarang

boolean expressions  logic diagrams tech amplifiers 495×291

boolean expressions logic diagrams tech amplifiers

Order Sekarang

introduction  boolean logic maths  comedy 600×678

introduction boolean logic maths comedy

Order Sekarang

Temukan solusi terbaik untuk kenyamanan ruang Anda dengan Boolean Type! Produk peredam suara dan panas ini menawarkan performa maksimal dengan harga yang terjangkau. Dapatkan kualitas unggul tanpa menguras kantong, dan nikmati suasana tenang serta sejuk di setiap sudut rumah atau kantor Anda. Pilih Boolean Type – pilihan cerdas untuk investasi jangka panjang!

Tidak ada hasil untuk penelusuran kata kunci Boolean Type

NO RESULT FOUND

Maaf, tidak ada yang cocok dengan kriteria yang Anda cari.

Apa yang ingin Anda lakukan?
« kembali ke Beranda atau gunakan kotak pencarian dibawah ini untuk mulai penelusuran baru.

Social Media & Marketplace
Chat via Whatsapp

Ada yang ditanyakan?
Klik untuk chat dengan customer support kami

Raisa
● online
Benu
● online
Raisa
● online
Halo, perkenalkan saya Raisa
baru saja
Ada yang bisa saya bantu?
baru saja
Produk Quick Order

Pemesanan dapat langsung menghubungi kontak dibawah:

Boolean Type

Jika kamu sedang mencari Boolean Type, maka anda berada di halaman yang tepat. Kami menyediakan aneka Boolean Type yang bisa anda pesan online. Silakan hubungi kami via +6282245078486, jangan lupa sertakan juka gambar yang diinginkan.

Kami mengirim paket Boolean Type melalui berbagai ekspedisi, misalnya JNE, JNT, POS, dll. Kami juga menerima pembayaran via BCA/Mandiri/dll. Pengiriman biasanya tidak sampai seminggu sudah sampai dan kami sertakan pula nomor resi yang bisa digunakan untuk tracking barang secara online.

boolean data type electronics reference

Tidak hanya Boolean Type, anda juga bisa melihat gambar lain seperti Mean Data, What Is Data, SQL Data, Does Have, Reporting Services, Data, Java, Python, MySQL, Java Return, JavaScript, XML, Data Type, Integer, Boolean Logic, string, Floating Point, Boolean Function, Character, Bit, Boolean algebra, Boolean Expression, Primitive type, and Array Data Type.

Berbagai Contoh Boolean Type

Berikut kami sertakan berbagai contoh gambar untuk Boolean Type, silakan save gambar di bawah dengan klik tombol pesan, anda akan kami arahkan pemesanan via WA ke +6282245078486.

boolean data type royalty  images stock  pictures 600×500

boolean data type royalty images stock pictures

Order Sekarang

boolean type 2048×1536

boolean type

Order Sekarang

boolean data type phoenixnap kb 768×384

boolean data type phoenixnap kb

Order Sekarang

wikipedia boolean data type handout    grade lesson planet 800×600

wikipedia boolean data type handout grade lesson planet

Order Sekarang

boolean logical data type boolean logical data 720×540

boolean logical data type boolean logical data

Order Sekarang

boolean data type electronics reference 1024×252

boolean data type electronics reference

Order Sekarang

java  testers boolean data type qafox 382×213

java testers boolean data type qafox

Order Sekarang

boolean expressions boolean data type remember 960×540

boolean expressions boolean data type remember

Order Sekarang

examples  boolean operators   searches 1000×629

examples boolean operators searches

Order Sekarang

boolean data type  javascript tektutorialshub 560×315

boolean data type javascript tektutorialshub

Order Sekarang

postgresql boolean data type  examples commandprompt 983×500

postgresql boolean data type examples commandprompt

Order Sekarang

java boolean data type lesson studycom 0 x 0

java boolean data type lesson studycom

Order Sekarang

boolean rpa 1021×786

boolean rpa

Order Sekarang

vba boolean    boolean  excel vba  excel template 584×352

vba boolean boolean excel vba excel template

Order Sekarang

boolean  computing techtarget definition 0 x 0

boolean computing techtarget definition

Order Sekarang

converting python string  boolean  comprehensive guide 617×338

converting python string boolean comprehensive guide

Order Sekarang

mysql boolean datatype 500×213

mysql boolean datatype

Order Sekarang

boolean msmk 900×900

boolean msmk

Order Sekarang

check boolean   java theatrecouple 1280×720

check boolean java theatrecouple

Order Sekarang

understanding boolean types  swift codesignal learn 2560×1440

understanding boolean types swift codesignal learn

Order Sekarang

boolean data type   named  george boole   defined 1200×1553

boolean data type named george boole defined

Order Sekarang

boolean types  values python video tutorial linkedin learning 1200×675

boolean types values python video tutorial linkedin learning

Order Sekarang

boolean logic operators    examples 1280×720

boolean logic operators examples

Order Sekarang

boolean data type python veri bilimi ve veri analizi 806×730

boolean data type python veri bilimi ve veri analizi

Order Sekarang

boolean pengertian  contoh  revou 1024×768

boolean pengertian contoh revou

Order Sekarang

boolean sejarah penggunaan  aplikasi 2448×1636

boolean sejarah penggunaan aplikasi

Order Sekarang

boolean wonderfulsoftware 2076×602

boolean wonderfulsoftware

Order Sekarang

boolean  arti kegunaan contoh  penjelasannya 712×450

boolean arti kegunaan contoh penjelasannya

Order Sekarang

tipe data boolean bonyd design  printing 536×491

tipe data boolean bonyd design printing

Order Sekarang

Temukan solusi terbaik untuk kenyamanan ruang Anda dengan Boolean Type! Produk peredam suara dan panas ini menawarkan performa maksimal dengan harga yang terjangkau. Dapatkan kualitas unggul tanpa menguras kantong, dan nikmati suasana tenang serta sejuk di setiap sudut rumah atau kantor Anda. Pilih Boolean Type – pilihan cerdas untuk investasi jangka panjang!